EasyManua.ls Logo

GE PT7800DH2BB - Page 73

GE PT7800DH2BB
76 pages
Print Icon
To Next Page IconTo Next Page
To Next Page IconTo Next Page
To Previous Page IconTo Previous Page
To Previous Page IconTo Previous Page
Loading...
– 73 –
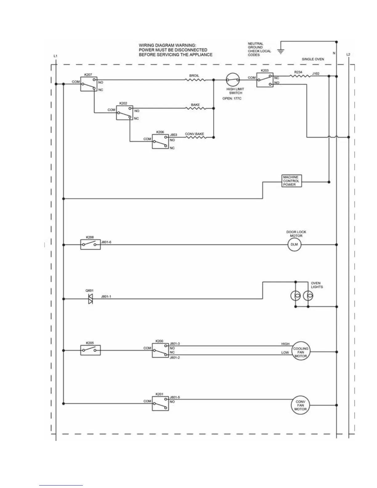
Machine Control Schematic

Other manuals for GE PT7800DH2BB

Related product manuals