EasyManua.ls Logo

Graco D200 - Parts

Graco D200
28 pages
Print Icon
To Next Page IconTo Next Page
To Next Page IconTo Next Page
To Previous Page IconTo Previous Page
To Previous Page IconTo Previous Page
Loading...
Parts
20 3A0233B
Parts
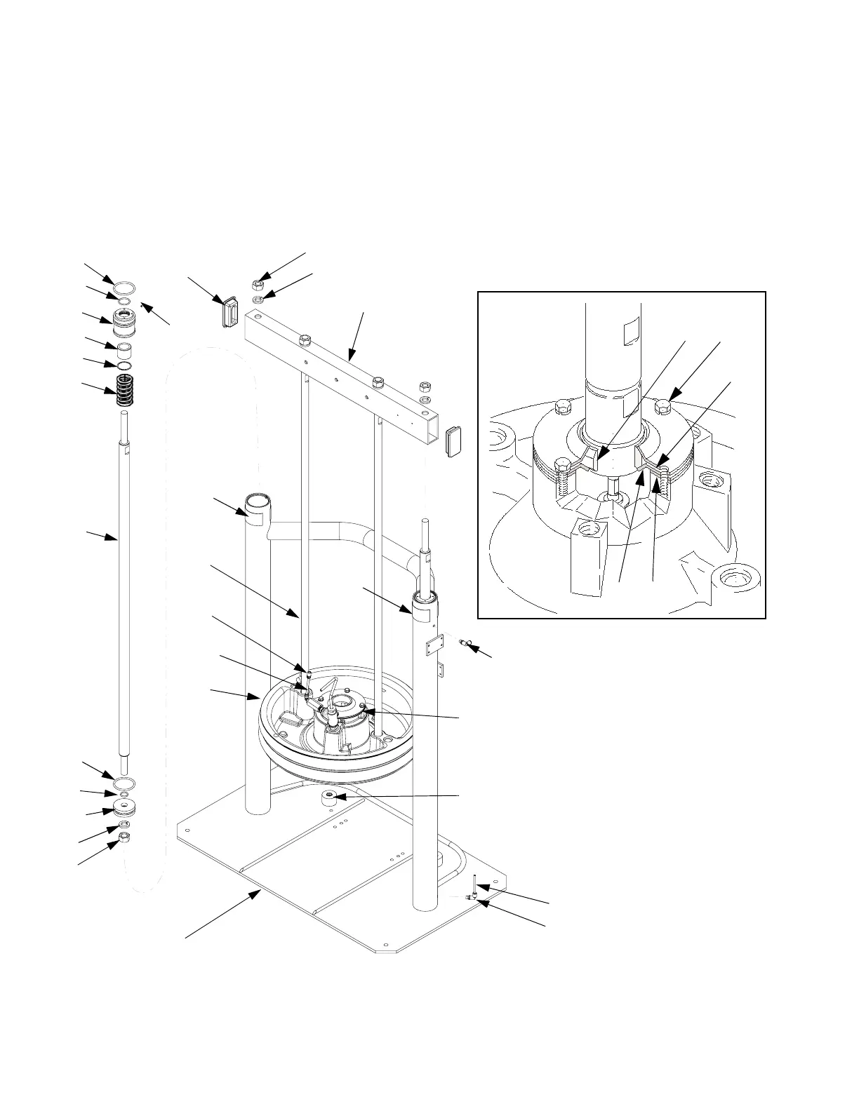
3 in. Ram with EPDM 55 Gallon Platen, 257452
3 in. Ram with Neoprene 55 Gallon Platen, 257453
3 in. Ram, 257461
4
6
5
8
2b
2c
2d
2a
2j
2k
2m
2n
2c
1
2h
2e
2g
2f
40
53, 54, 55
41
(9 ft) 20
18
See Detail A
r_257453_3a0233_1c
02938
64 66, 65
63
63 67
Detail A
17
17
20 (6 ft)
31
31

Other manuals for Graco D200

Related product manuals