EasyManua.ls Logo

Grasshopper 223 - Page 45

Grasshopper 223
68 pages
Print Icon
To Next Page IconTo Next Page
To Next Page IconTo Next Page
To Previous Page IconTo Previous Page
To Previous Page IconTo Previous Page
Loading...
45
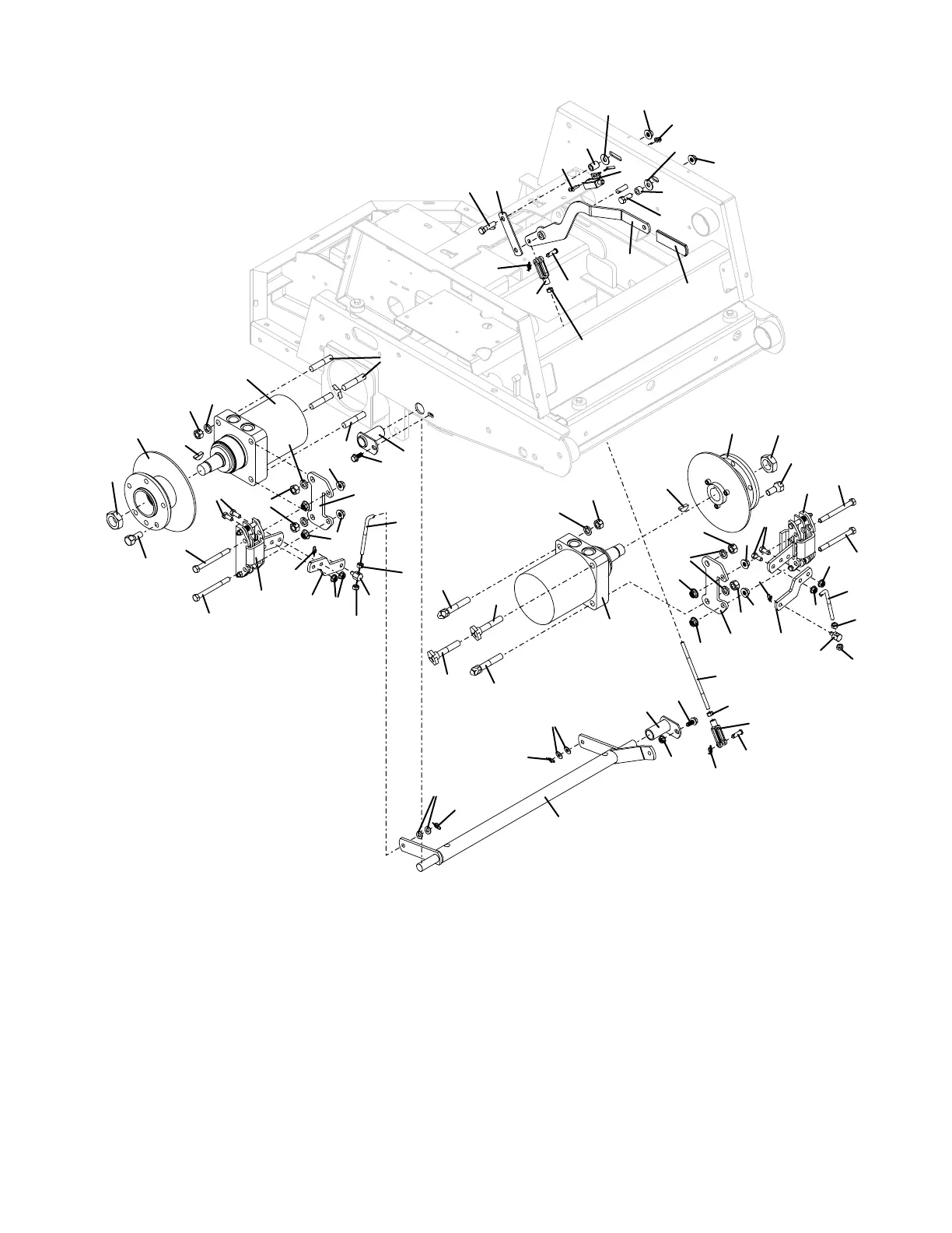
BRAKE ASSEMBLY
Rev. 11-09
03016G
34
8
31
34
8
20
21
29
38
30
28
23
27
24
22
35
36
25
7
14
33
11
9
13
9
6
16
25
6
2
37
32
37
2
8
8
17
37
36
12
26
25
24
27
36
6
4
5
1
15
25
3
4
5
3
8
17
16
8
2
37
1
2
37
32
7
14
13
9
33
9
10
36
12
6
25
15
25
3
3
3
3
19
36
18
36
19
8
8
LEFT
SIDE
RIGHT
SIDE

Table of Contents

Related product manuals