EasyManua.ls Logo

h/p/cosmos pluto - Page 102

h/p/cosmos pluto
216 pages
Print Icon
To Next Page IconTo Next Page
To Next Page IconTo Next Page
To Previous Page IconTo Previous Page
To Previous Page IconTo Previous Page
Loading...
safety, installation and commissioning
file: n:\article\cos14310m5-v1_08hpc-en\20150130_cos14310m5-v1.08hpc-en_instructions_for_use_h-p-cosmos_treadmill.doc
© 2015 h/p/cosmos sports & medical gmbh author: fh email@h-p-cosmos.com created 30.01.2015 printed 30.01.2015 page: 102 of 216
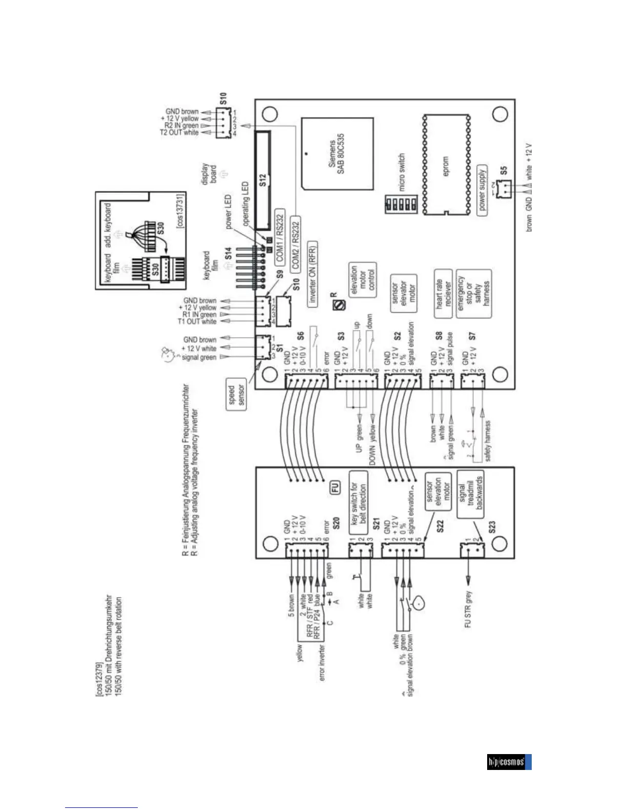
For devices with MCU4 control unit (until manufacturing date 12/2007) and reverse belt rotation

Table of Contents

Related product manuals