EasyManua.ls Logo

HANGCHA CBD20-AC1S - Product Plates and Warning Labels Location

HANGCHA CBD20-AC1S
117 pages
Print Icon
To Next Page IconTo Next Page
To Next Page IconTo Next Page
To Previous Page IconTo Previous Page
To Previous Page IconTo Previous Page
Loading...
16
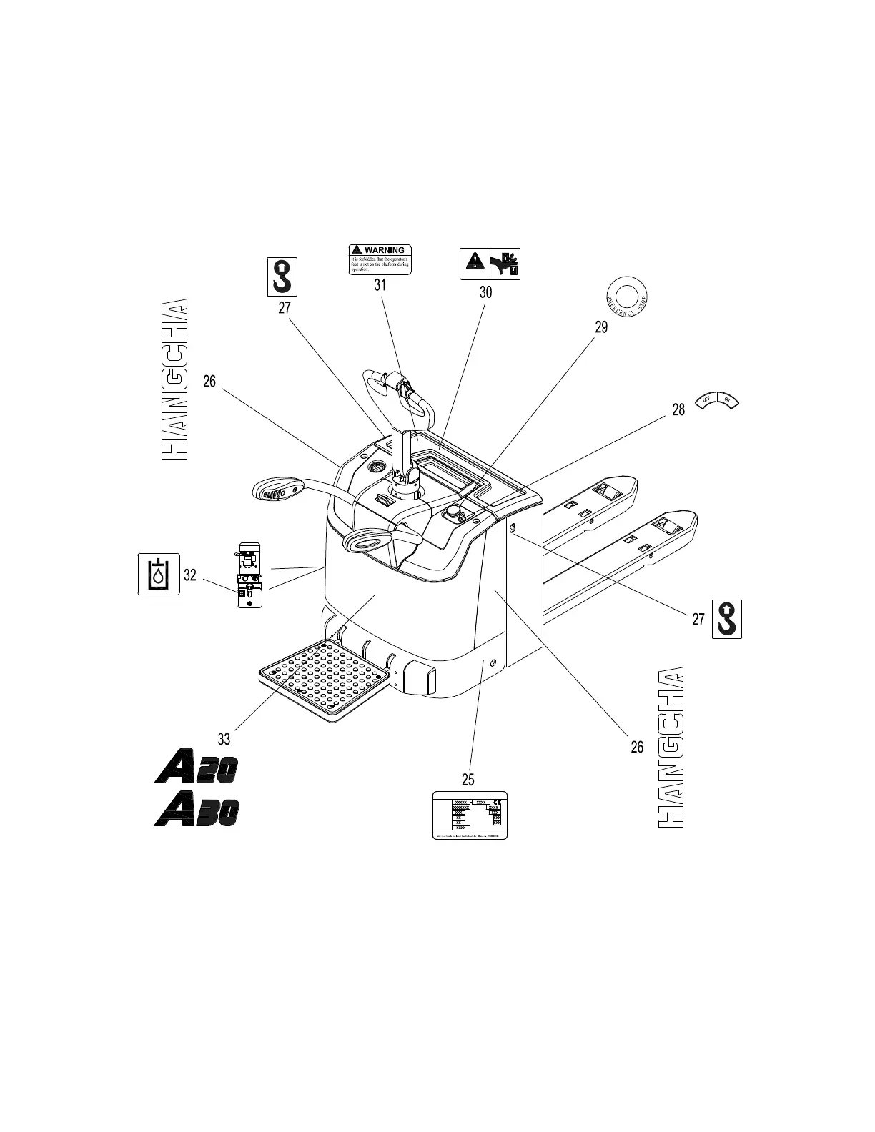
1.6 Product plates and warning labels location
Plates and labels, such as nameplate, load curve plate, warning labels must be legible, if
identification is unclear, and must be replaced.
The figure below shows the approximate location of the various identity resides. Before operating
the truck, please understand the meaning of the various identities.
V
kW
mm
kg
kg
kg
kg
ELECTRIC PALLET TRUCK
MODEL-TYPE
SERIAL NO.
LOAD CENTER
BATTERY VOLTAGE
RATED DRIVE POWER
YEAR OF MANUFACTURE
RATED CAPACITY
WEIGHT WITHOUT BATTERY
MAX.ALLOWABLE BATTERY WEIGHT
MIN.ALLOWABLE BATTERY WEIGHT
HANGCHA GROUP CO.,LTD.
WARNING

Table of Contents

Related product manuals