EasyManua.ls Logo

HANGCHA CBD20-AC1S - Hydraulic System Working Principle

HANGCHA CBD20-AC1S
117 pages
Print Icon
To Next Page IconTo Next Page
To Next Page IconTo Next Page
To Previous Page IconTo Previous Page
To Previous Page IconTo Previous Page
Loading...
82
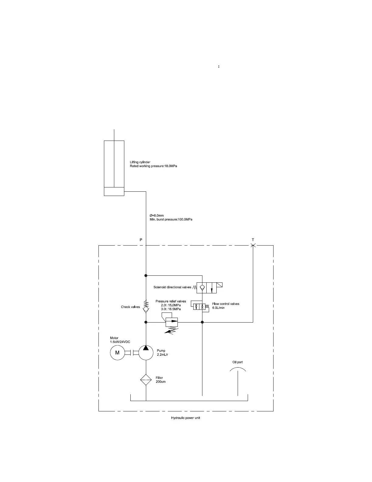
2.1 Hydraulic system working principle
Brief introduction to the working principle of hydraulic system
When press the lifting button of the control handle, lifting motor works, drive the hydraulic pump
through coupling device, hydraulic oil enters lifting cylinder through one-way valve, and forks lift.
When press the lowering button of the control handle, lifting motor does not rotate, the solenoid
valve open by this time, hydraulic oil in the lifting cylinder through solenoid valve and governor
valve returns to the oil tank, and the forks drop.
CBD20/30-AC1, CBD20/30-AZ3 Hydraulic Schematic Diagram

Table of Contents

Related product manuals