EasyManua.ls Logo

Hanna Instruments HI 903 - Titrator Rear View; Titrator Left-Side View

Hanna Instruments HI 903
220 pages
Print Icon
To Next Page IconTo Next Page
To Next Page IconTo Next Page
To Previous Page IconTo Previous Page
To Previous Page IconTo Previous Page
Loading...
2-6
SETUP
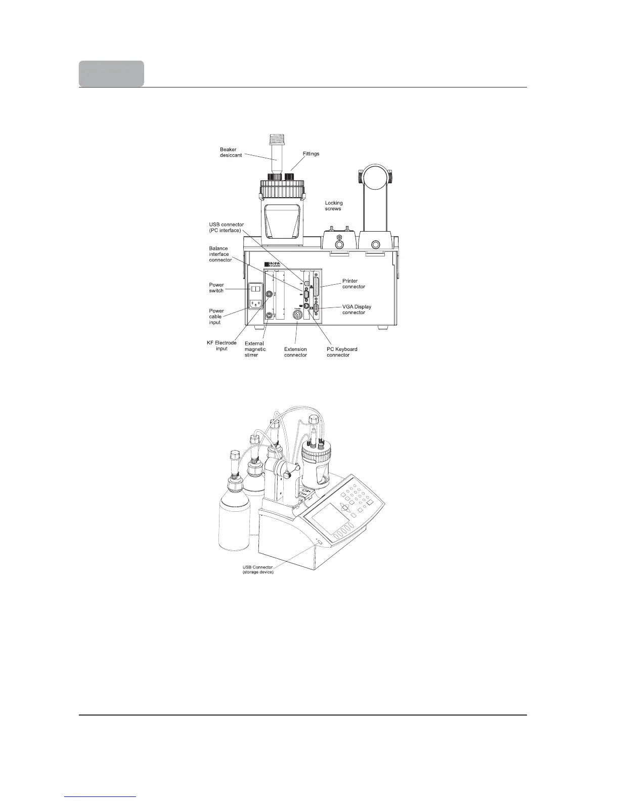
2.3.2 Titrator Rear View
2.3.3 Titrator Left-side View

Table of Contents

Related product manuals