EasyManua.ls Logo

Harvia sentiotec Pro C2 - 7 Anschlussplan

Harvia sentiotec Pro C2
Print Icon
To Next Page IconTo Next Page
To Next Page IconTo Next Page
To Previous Page IconTo Previous Page
To Previous Page IconTo Previous Page
Loading...
DE
Montageanweisung – nur für Fachpersonal S. 23/48
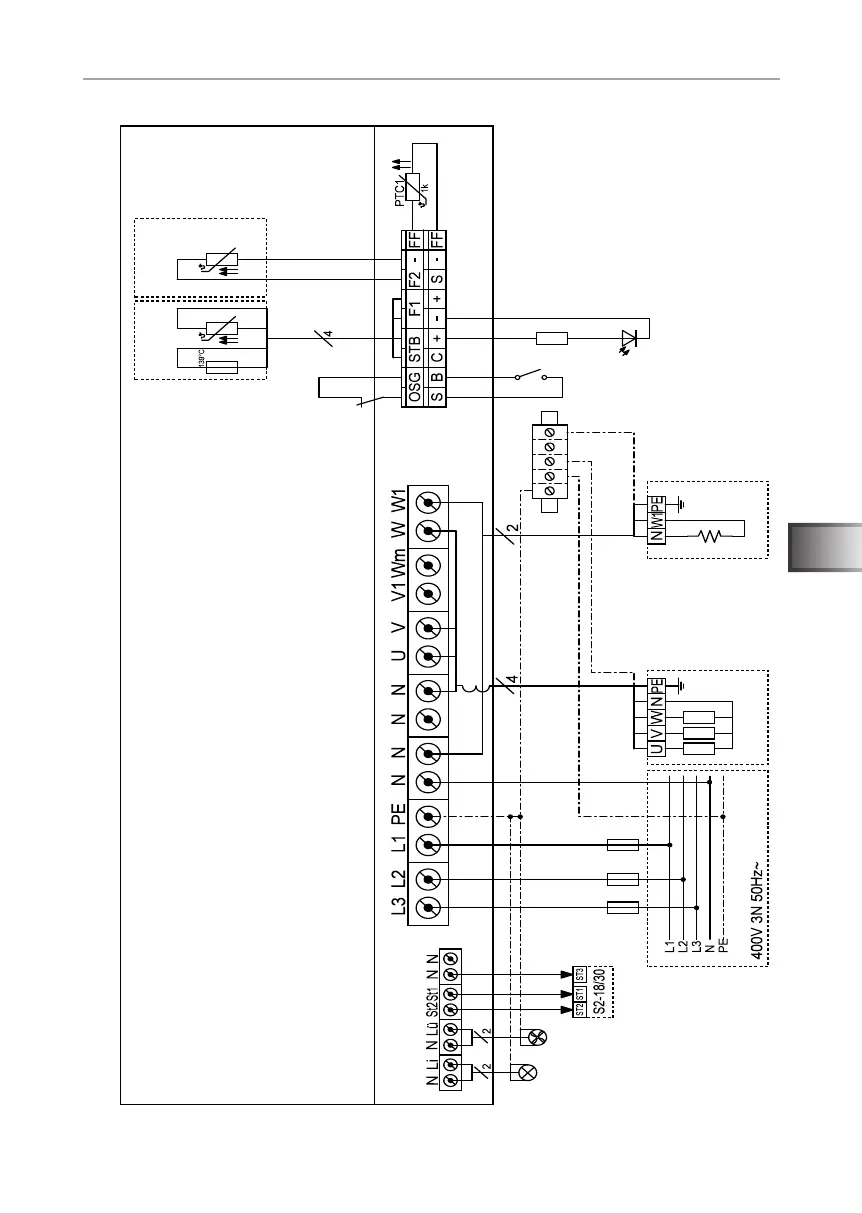
Abb.4 Anschlussplan
7. Anschlussplan
139 °C
1
2
3
4
6
7
9
b
c
5
a
8
1 Statusausgang
2 Fernstart
3 Zusatzausgang (max. 3,5 kW)
4 Heizsystem (max. 10,5 kW)
5 Stromversorgung der
Saunasteuerung
6 Leistungserweiterung
7 Lüfter
8 Licht
9 Erdungsschiene
a Ofenfühler mit Über-
temperatursicherung (F1)
b Bankfühler (F2)
c Folienfühler
rt rt ws ws

Table of Contents