EasyManua.ls Logo

Harvia sentiotec Pro C2 - Connection diagram; Wiring schematic

Harvia sentiotec Pro C2
Print Icon
To Next Page IconTo Next Page
To Next Page IconTo Next Page
To Previous Page IconTo Previous Page
To Previous Page IconTo Previous Page
Loading...
EN
Installation instructions, only for experts p. 23/48
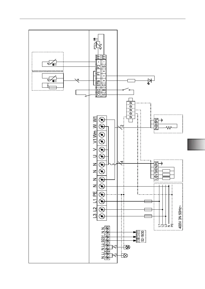
Fig. 4 Connection diagram
139 °C
1
2
3
4
6
7
9
b
c
5
a
8
1 Status output
2 Remote start
3 Additional output (max. 3.5 kW)
4 Heating system (max. 10.5 kW)
5 Power supply for the
sauna control unit
6 Power booster
7 Fan
8 Light
9 Earth rail
a Heater sensor with excess
temperature fuse (F1)
b Bench sensor (F2)
c Foil sensor
rd rd wt wt
7. Connection diagram

Table of Contents