EasyManua.ls Logo

Harvia sentiotec Pro C2 - 7 Elschema

Harvia sentiotec Pro C2
Print Icon
To Next Page IconTo Next Page
To Next Page IconTo Next Page
To Previous Page IconTo Previous Page
To Previous Page IconTo Previous Page
Loading...
SV
Monteringsanvisning endast för fackpersonal S. 23/48
Bild4 Elschema
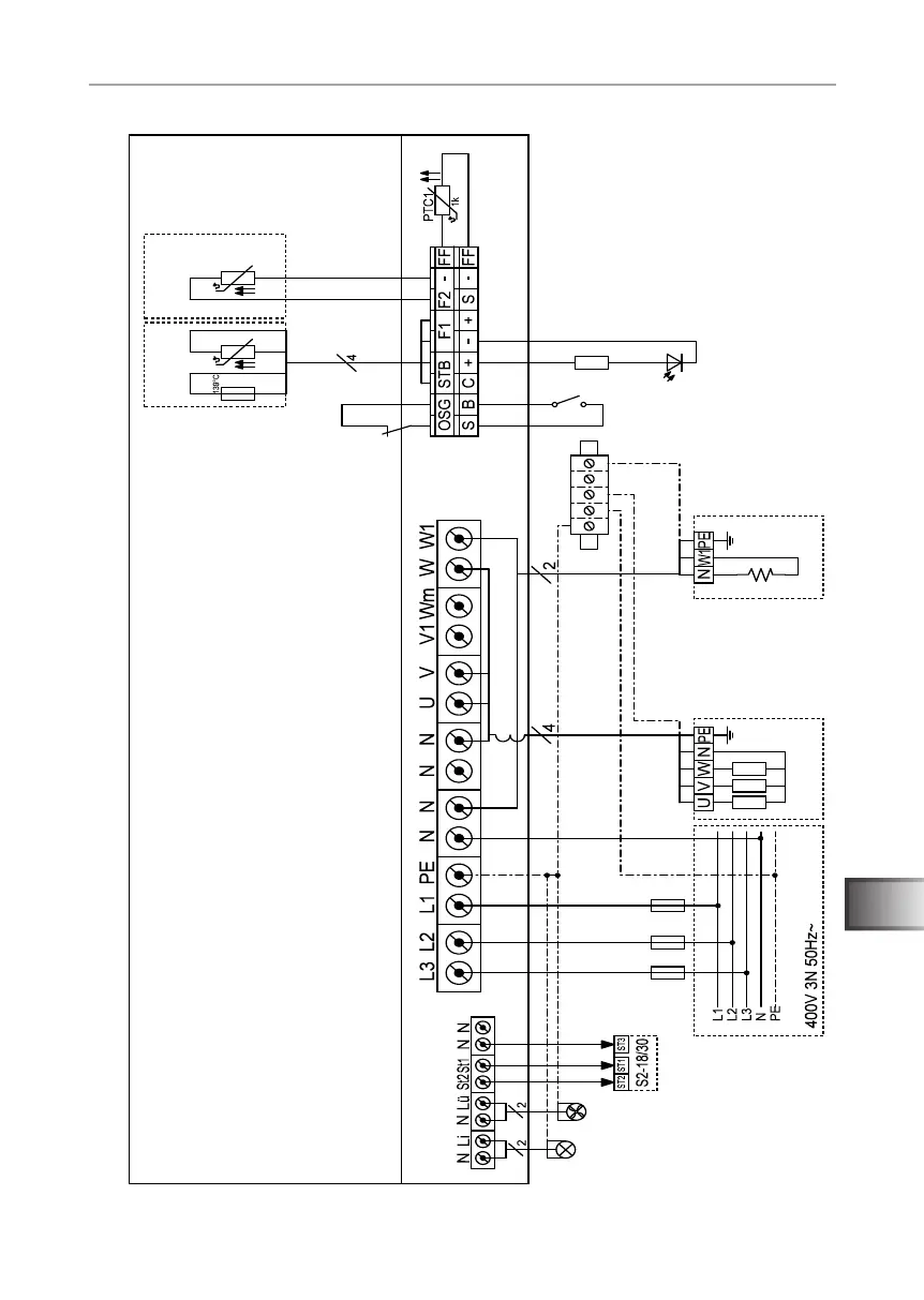
7. Elschema
139 °C
1
2
3
4
6
7
9
b
c
5
a
8
1 Statusutgång
2 Fjärrstart
3 Extra utgång (max. 3,5 kW)
4 Värmesystem (max. 10,5 kW)
5 Strömförsörjning för styrenheten
6 Effektförstärkare
7 Fläkt
8 Belysning
9 Jordning
a Aggregatgivare F1 med
övertemperaturskydd (F1)
b Bänkgivare (F2)
c Foliegivare
röd röd vit vit

Table of Contents