EasyManua.ls Logo

Hettich EBA 20 - General Arrangement of the Components

Hettich EBA 20
31 pages
Print Icon
To Next Page IconTo Next Page
To Next Page IconTo Next Page
To Previous Page IconTo Previous Page
To Previous Page IconTo Previous Page
Loading...
21/31
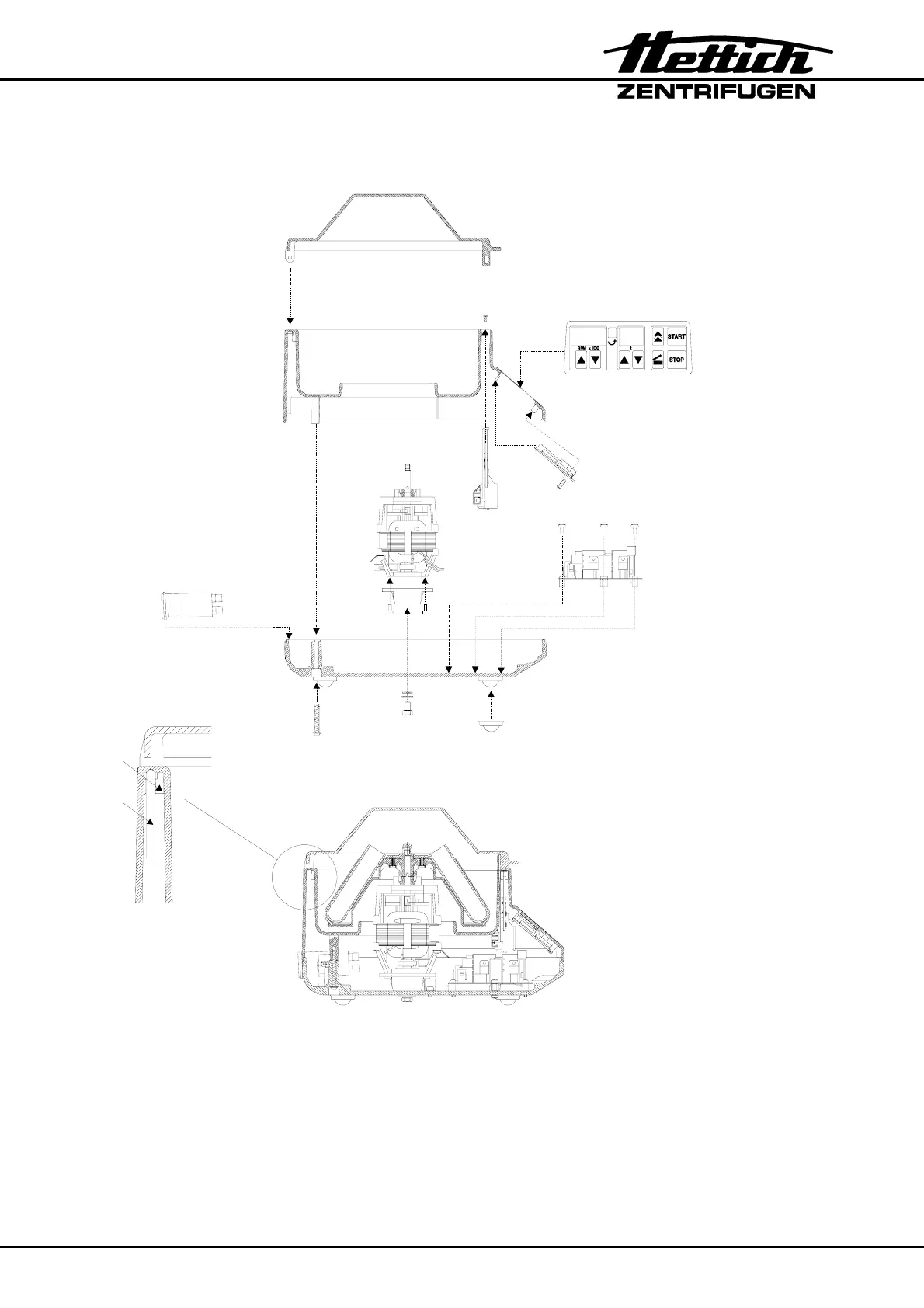
9 General arrangement of the components
1 Lid
2 Housing upper
part
3 Cover foil
4 Control panel
5 Lid lock
6 Motor
7 Rubber-metal-
bearing
8 Power board
9 Appliance plug
10 Housing lower
part
11 Rubber foot
12 Friction rubber
13 Hinge bolt
Imbalance
switch is not
displayed (only
with EBA 20 C)
1
2x
2
3x
3
4
5
6
7
9
10
11
4x
12
13
8

Related product manuals