EasyManua.ls Logo

HID ENTRYPROX - 5 Wiring; Gate Actuator

HID ENTRYPROX
38 pages
Print Icon
To Next Page IconTo Next Page
To Next Page IconTo Next Page
To Previous Page IconTo Previous Page
To Previous Page IconTo Previous Page
Loading...
Page 20 of 38 September 2016
EntryProx User Manual, 4045-905, Rev. C.4
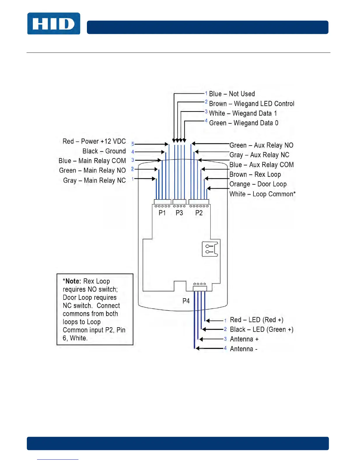
5 Wiring
The following figure illustrates the location and description of the four pin connectors on the main
circuit board and its use. Connector P5 is not used.
Pin Locator Diagram
The main relay for the door-locking device is wired to connector P1 on the EntryProx main circuit
board.
5.1 Gate Actuator
You can make the wire connections for a gate actuator by connecting the Blue (C) wire and the
Green (N/O) wire directly to the input.
Note: If you connect a gate actuator, DO NOT connect a power supply to the relay.

Table of Contents