EasyManua.ls Logo

Hioki BT3563A - 6.2 Selecting the Interface

Hioki BT3563A
228 pages
Print Icon
To Next Page IconTo Next Page
To Next Page IconTo Next Page
To Previous Page IconTo Previous Page
To Previous Page IconTo Previous Page
Loading...
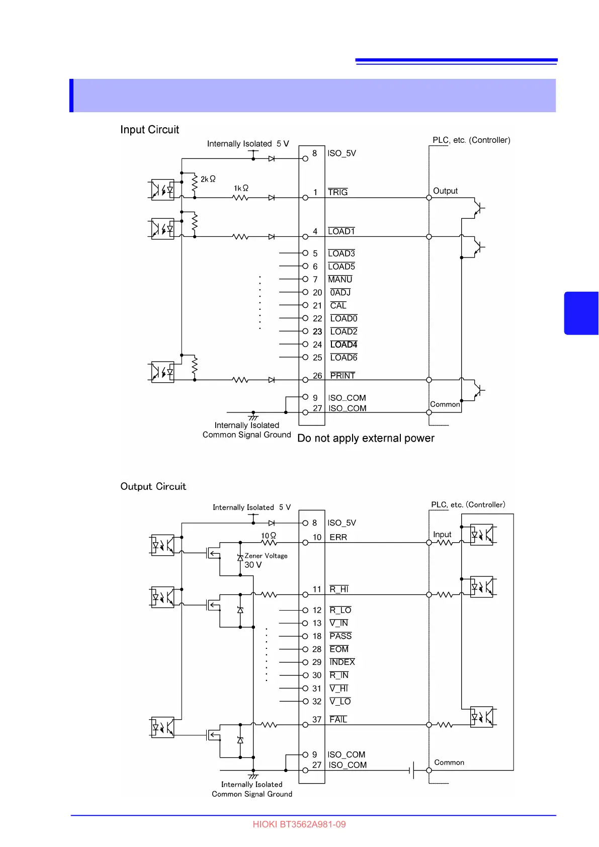
5.4 Internal Circuitry
87
5
Chapter 5 External Control (EXT I/O)
5.4 Internal Circuitry
HIOKI BT3562A981-09

Table of Contents

Related product manuals