EasyManua.ls Logo

Hirschmann MICE MS20-0800 Series - Page 7

Hirschmann MICE MS20-0800 Series
76 pages
Print Icon
To Next Page IconTo Next Page
To Next Page IconTo Next Page
To Previous Page IconTo Previous Page
To Previous Page IconTo Previous Page
Loading...
Installation MS20/MS30
Release
11
07/2013
7
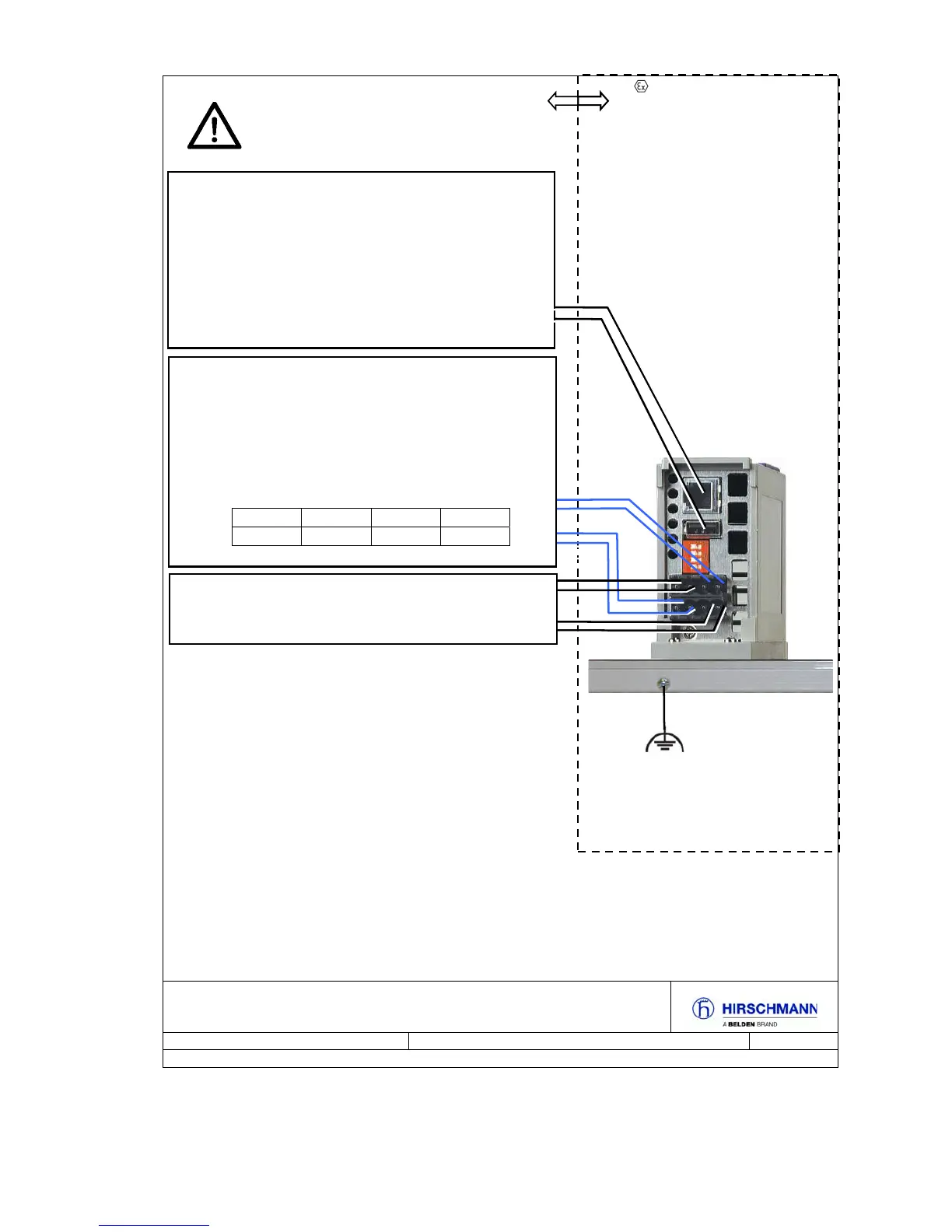
CONTROL DRAWING IRU,QGXVWULDO(7+(51(75DLO6ZLWFK06DQG06GHYLFHV
943-435-999 according to the directive 94/9/EC
or Class I Division 2 Hazardous Locations
Version: 2 Document No.: 000160011DNR Page 2/4
WARNING! The USB connection and the V.24
Interface connection are for temporary
connection only, for maintenance use. Do not
use, connect or disconnect unless the area is
known to be non-hazardous. Connection or
disconnection in an explosive atmosphere could
result in an explosion!
Relay
Relay
P1
P2
Power Supply range “A” (P1, P2 Redundant)
18 – 32 VDC;
4.0 – 2.25 A; max. 72 W
Temperature Code: T4
Ambient Temperature rating:
Ta: 0°C to +60°C for “S” types
Ta: -40°C to +70°C for “T” or “E” types
²UHIHUWRWKHW\SHGHVLJQDWLRQRQWKHGHYLFH
3RVLWLRQRIQRPHQFODWXUH´7HPSHUDWXUHUDQJHµ
=RQH([SORVLYH
$WPRVSKHUH
RU&ODVV,'LYLVLRQ
*URXSV$%&'
+D]DUGRXV/RFDWLRQ
2UGLQDU\/RFDWLRQ
1RQ+D]DUGRXV$UHD
QRQH[SORVLYHDWPRVSKHUH
The earth conductor must be at
least the same wire size (mm²
or AWG) as the supply
conductors.
MS20/30 switch basic module
with voltage range type “A
Relay contacts:
Equipment with nonincendive field wiring
parameters.
Polarity is not relevant.
THE RELAY TERMINALS ARE DEPENDENT
UPON THE FOLLOWING ENTITY
PARAMETERS:
1
)
2
)
U
i
I
i
C
i
L
i
30 V 90 mA 2 nF 1 µH

Table of Contents

Related product manuals