EasyManua.ls Logo

Hitachi C 12RSH

Hitachi C 12RSH
101 pages
To Next Page IconTo Next Page
To Next Page IconTo Next Page
To Previous Page IconTo Previous Page
To Previous Page IconTo Previous Page
Loading...
--- 2 --- 5 -- 07
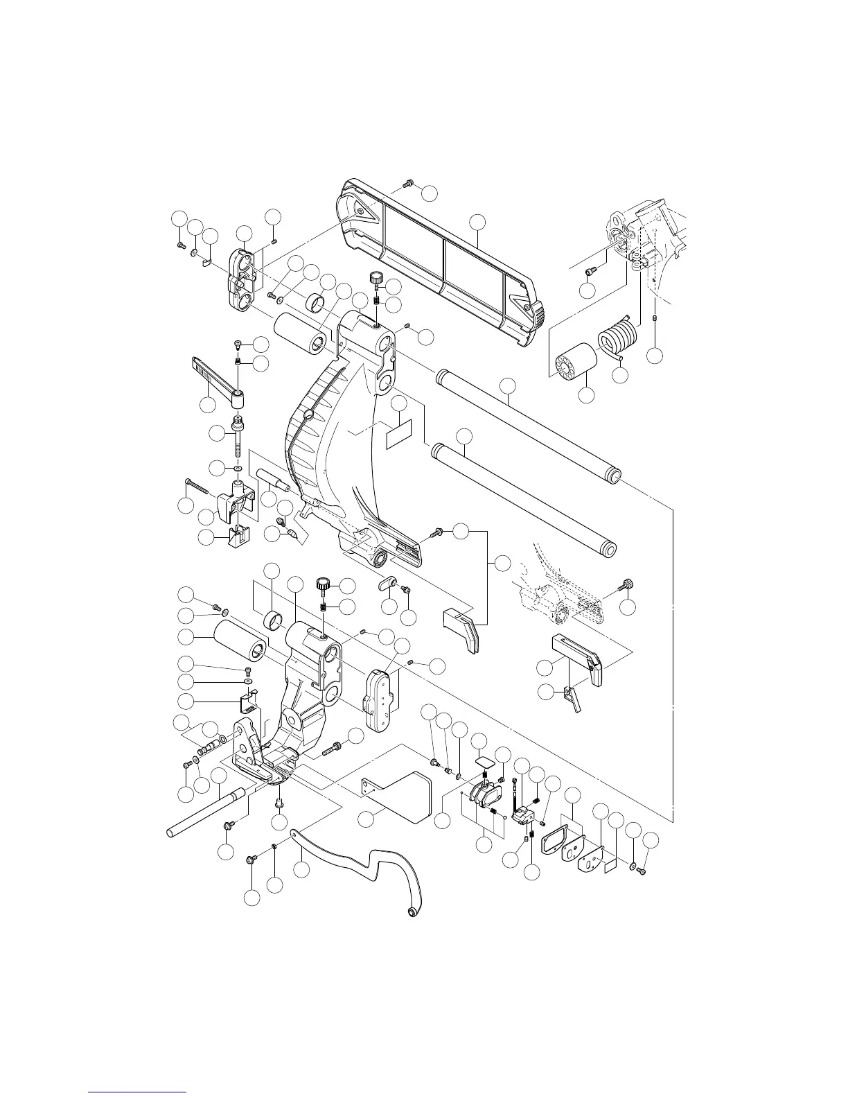
C 12RSH
B
B
131
132
133
134
135
156A
153
154
157
158
159
160
161
162
163
164
140
139
141
142
143
144
145
146
147
148
149
150
151
152
64
166
172
174
175
176
141
142
144
143
173
146
147
148
134
135
181
179
180
184
185
182
183
186
187A
188
189
190
191
193
194
195
196
206
197
198A
199
200
207
200
199
201
202
203
204
205
165
336
337
335
338
346

Table of Contents

Other manuals for Hitachi C 12RSH

Related product manuals