EasyManua.ls Logo

Honeywell Design and Application - H705 Wiring Diagram

Honeywell Design and Application
218 pages
Print Icon
To Next Page IconTo Next Page
To Next Page IconTo Next Page
To Previous Page IconTo Previous Page
To Previous Page IconTo Previous Page
Loading...
Section 4 - H705 Economizer Module
45 Honeywell Economizers 63-8594-02
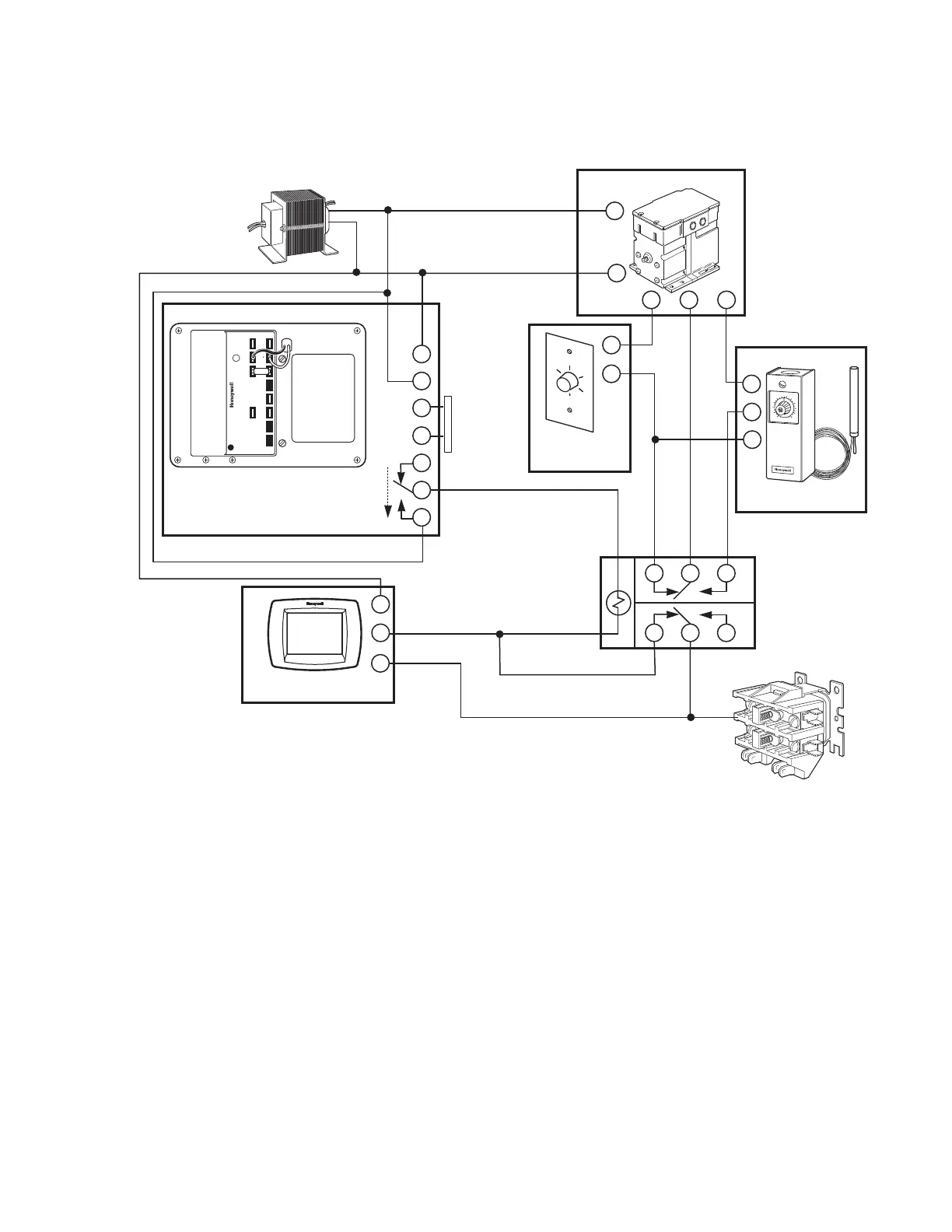
H705 Wiring Diagram
The H705 enthalpy control is being used in
this application in place of a dry bulb
temperature economizer high limit. The H705
included a single enthalpy sensor for the
outside air. An optional second C7400
installed in the return air was used for
differential enthalpy. If the second C7400
sensor is not used a 620 ohm resistor was
installed across the S
R
and + terminals. The
economizer modulated the outdoor dampers
for free cooling provided the outside air
enthalpy was below the setpoint on the H705.
If the outdoor enthalpy is above the setpoint
the outside air dampers are closed to a
minimum position for ventilation and the
mechanical cooling is energized.
TRANSFORMER
H705 ENTHALPY CONTROL
MINIMUM
POSITION
CONTROL
MIXED AIR
DAMPER MOTOR
T991 MIXED
AIR CONTROL
COOLING
COMMERCIAL THERMOSTAT
COOLING
CONTACTOR
RELAY
620 OHM
RESISTOR
ENTHALPY
DECREASE
RC
Y1
Y2
NC
C
NO
NC
C
NO
3
2
1
SR
+
TR1
TR
W
R
B
B
R
W
W R
T1
T2
L2
L1
(HOT)
M13818A
60
180
90
170
16
15
140
130
120
110
100
F
80
70
L1
L2
T2
T1
3
1
TR1TR
A
D
O
S
R
S
C
B
2
60
100
140
120
80
40
°F

Table of Contents

Related product manuals