EasyManua.ls Logo

HUSABERG "05 - Page 69

HUSABERG "05
72 pages
Print Icon
To Next Page IconTo Next Page
To Next Page IconTo Next Page
To Previous Page IconTo Previous Page
To Previous Page IconTo Previous Page
Loading...
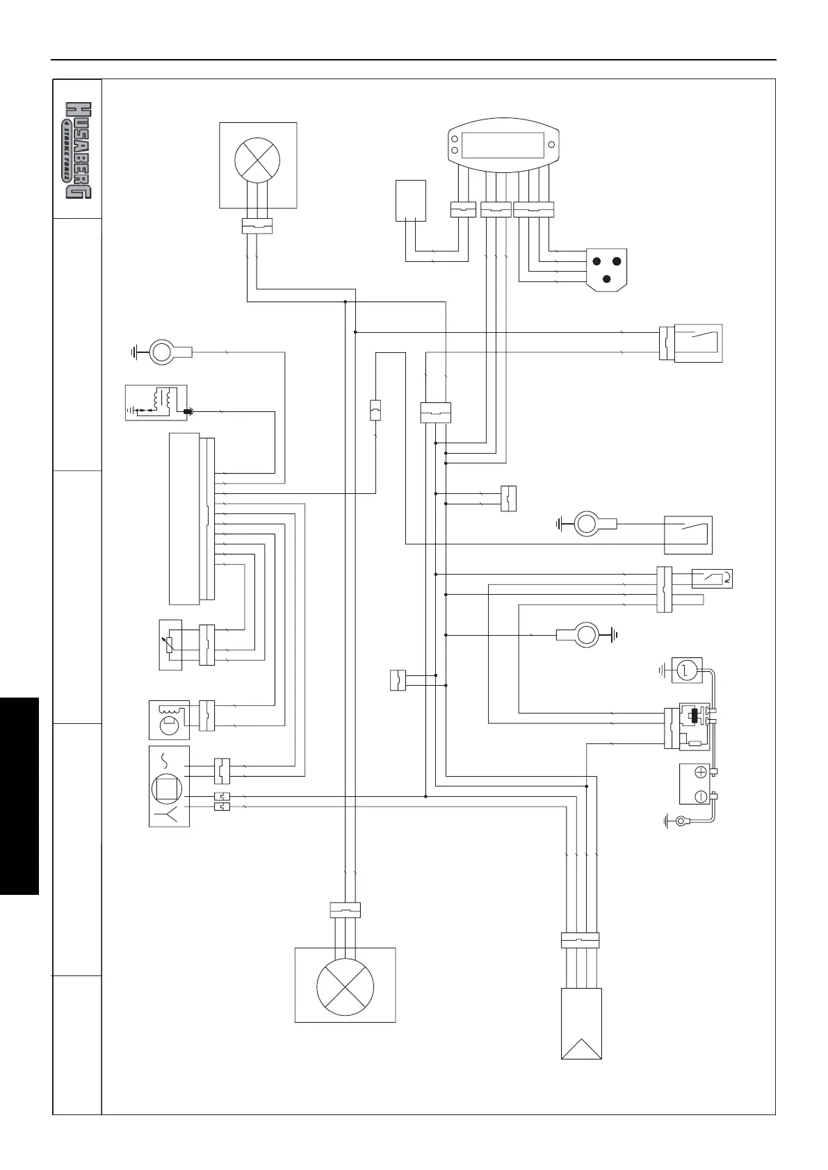
SCHALTPLÄNE
- 4 -
ANHANG-APPENDIX
APPENDICE
mmargaid gniriw
50 ASU SF/EF grebasuH
yre
t
t
a
b
02
ya
ler
trats
- ssenrah niam
multi-func.-digital-speedometer
004.570.11.008
rotom retrats
4002.30.51
M
A
br
br
br
br
br
br
naf gnilooc
lb
-
r
b
er-ey
v
hctiws rab eldnah
)la
no
itpo(
rb
hct
iw
s
p
o
t
s
h
cti
w
s t
h
gil
h
w
hw
wh
lb-ey
ey
rb
br
ye-re
rb
ye
ye-re
re-wh
bl
br
br
br
bl-wh
ye-bl
br
bu-wh
re-wh
re-bl
gn
re
naf gnilooc
met
s
y
s
rehs
a
l
f
bl
ye
bu
bu
ye
bl
re
gn
re-bl
re-wh
ye
wh
rb
rb
h
w
ey
er-ey
bl
re-wh
ye-re
black
nott
u
b trat
s
reifitcer-rotaluger
lioc noi
t
ingi
U
headlight
SPT
pu kcip
I
D
C
rear light/brakelight
rotareneg
G
3

Table of Contents

Related product manuals