EasyManua.ls Logo

HUSABERG Edition 2004 - Page 69

HUSABERG Edition 2004
74 pages
Print Icon
To Next Page IconTo Next Page
To Next Page IconTo Next Page
To Previous Page IconTo Previous Page
To Previous Page IconTo Previous Page
Loading...
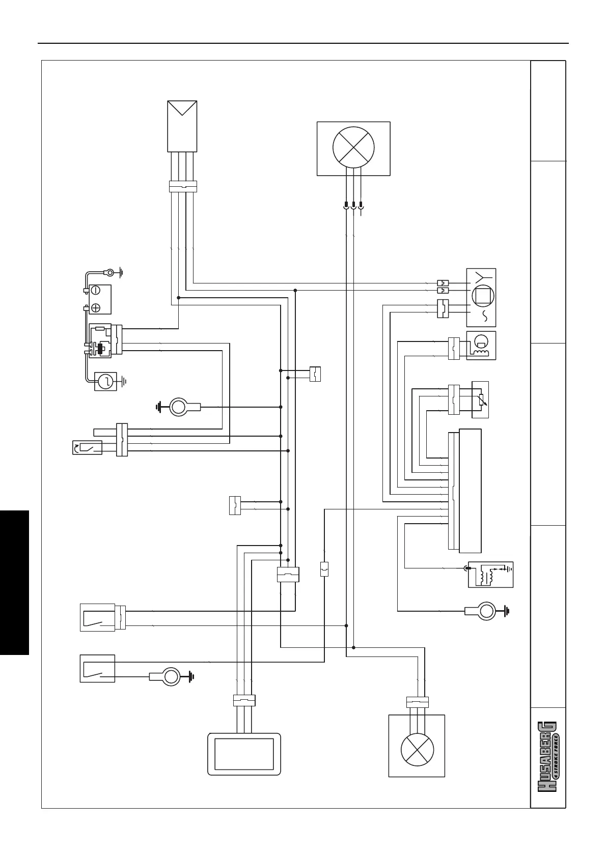
SCHALTPLÄNE
- 4 -
ANHANG-APPENDIX
APPENDICE
wiring diagramm
Husaberg FE USA 04
battery
10
start relay
main harness 800.11.075.000
starter motor
24.03.2003
M
A
br-bl
ye-re
ye-bl
br
stop switch
flasher system
cooling fan
light switch
wh
wh
wh
ye-bl
ye
br
br
ye-re
br
ye
ye-re
wh-re
bl
br
br
br
bl-wh
ye-bl
br
bu-wh
re-wh
re-bl
gn
re
bl
ye
bu
bu
ye
bl
re
gn
re-bl
re-wh
ye
wh
br
br
wh
ye
ye-re
bl
wh-re
ye-re
black
start bottom
multi-func.-digital-speedometer
regulator-rectifier
ignition coil
U
headlight
TPS
pick up
I
D
C
rear light/brakelight
generator
G
3

Table of Contents