EasyManua.ls Logo

HydraMaster MAXX 450D - Page 12

Default Icon
187 pages
Print Icon
To Next Page IconTo Next Page
To Next Page IconTo Next Page
To Previous Page IconTo Previous Page
To Previous Page IconTo Previous Page
Loading...
MAXX 450D/470D/450 Diesel
HydraMaster Corporation
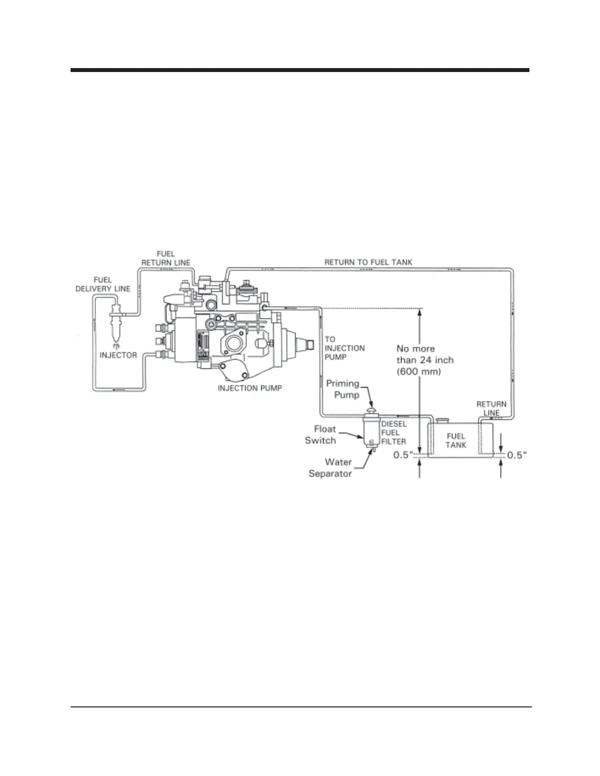
Diesel Fuel Flow Diagram
Quick Reference