EasyManua.ls Logo

HydraMaster MAXX 450D - CAT 3 CP Pump Assembly

Default Icon
187 pages
Print Icon
To Next Page IconTo Next Page
To Next Page IconTo Next Page
To Previous Page IconTo Previous Page
To Previous Page IconTo Previous Page
Loading...
Page 1-48 MAXX 450D/470/Diesel
HydraMaster Corporation
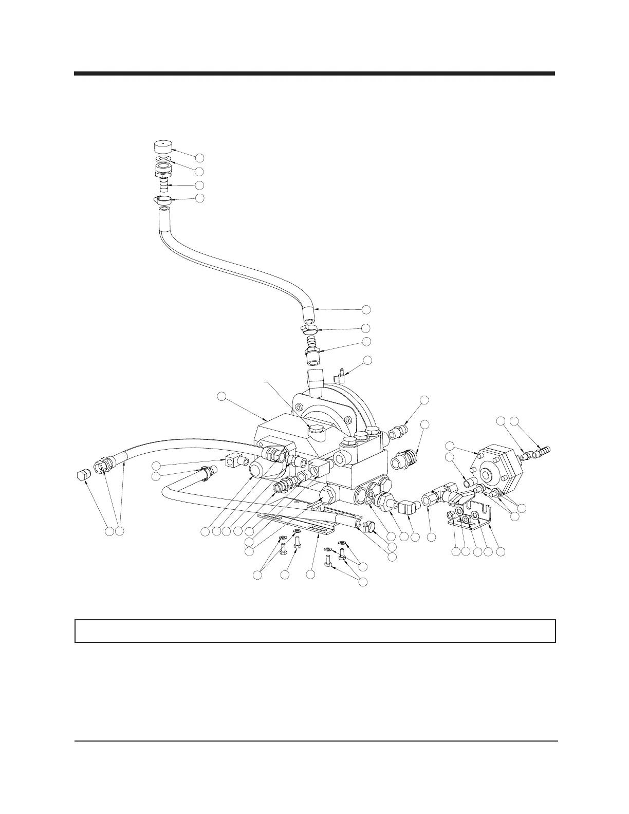
Figure 1-19 CAT 3CP Pump Assembly
D-4354 Rev F
PART OF PUMP(ITEM 1)
12
14
6 27
34
3233
33
34
30
31
19
18
16
15
3
16
15
6
18
21
20
11
9
12
20
8
24
23
24
22
26
25
4 33
34
35
17
1
10
28
29
5
13
1 000-111-070 Pump, 4 Gpm CAT Hi Temp. Plunger 1
2 000-036-006 Clutch, Pump - CDS 4.8/ Maxx 1
3 000-015-682 Bracket, Pump Mount CAT 3CP 1
4 000-106-004 Plug, 1/2" NPT Hex 1
5 000-108-055 Protector, CAT 3CP Shaft 1
CAT 3CP Pump Assembly Parts List
Item Part Number Description Qty