EasyManua.ls Logo

HydraMaster MAXX 450D - Exhaust, Vacuum, Coolant and APO Diagram

Default Icon
187 pages
Print Icon
To Next Page IconTo Next Page
To Next Page IconTo Next Page
To Previous Page IconTo Previous Page
To Previous Page IconTo Previous Page
Loading...
Page 5-4 MAXX 450D/470D/Diesel
HydraMaster Corporation
3/16/05
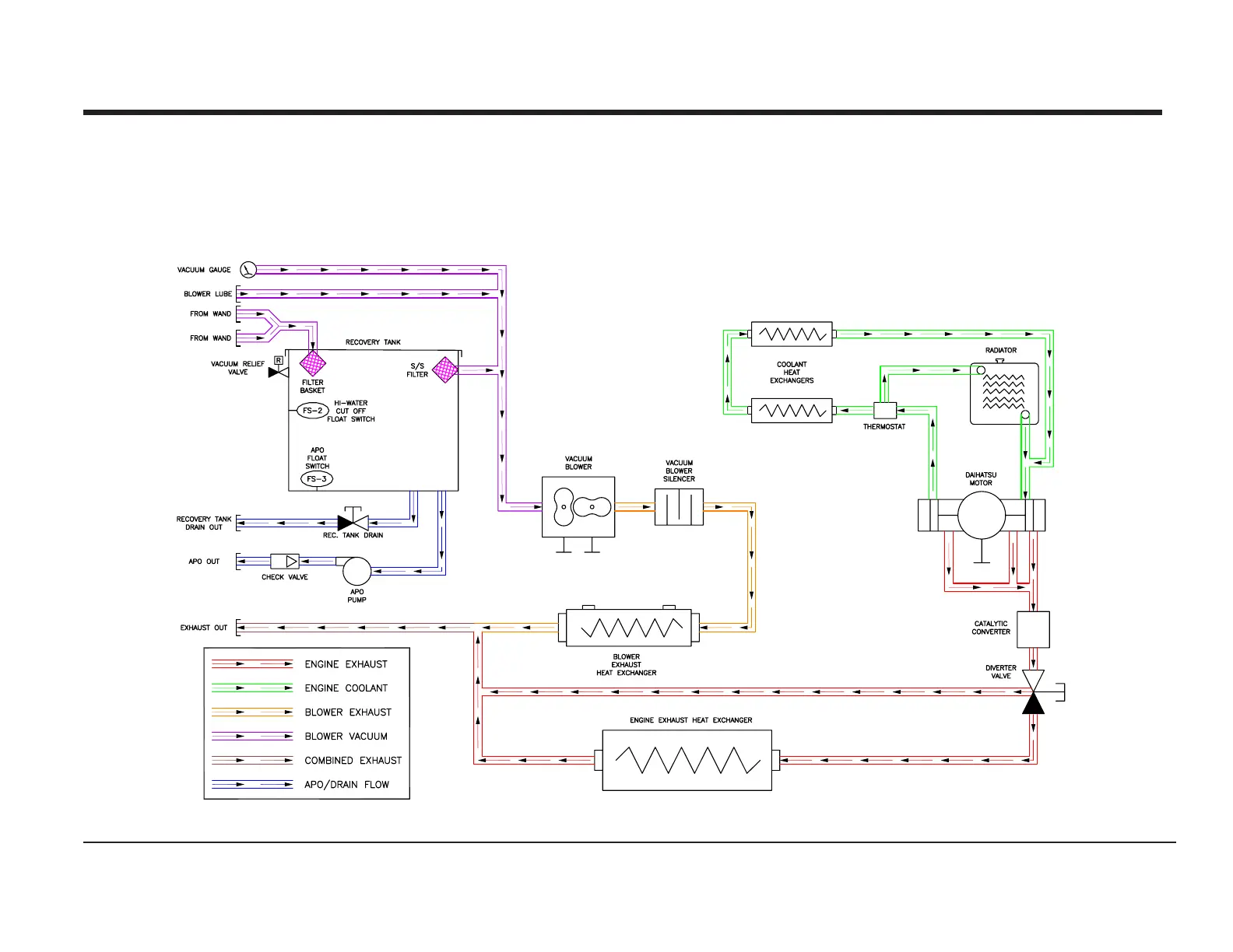
Figure 5-3 Exhaust, Vacuum, Coolant and APO Diagram
D4382 Sht 3 Rev
A