EasyManua.ls Logo

HydraMaster MAXX 450D - Page 126

Default Icon
187 pages
Print Icon
To Next Page IconTo Next Page
To Next Page IconTo Next Page
To Previous Page IconTo Previous Page
To Previous Page IconTo Previous Page
Loading...
HydraMaster Corporation
3/8/01
Page 4-2 MAXX 450D/470D/Diesel
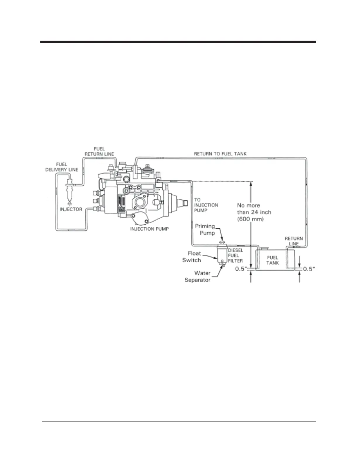
Figure 4-1 Diesel Fuel Flow Diagram