EasyManua.ls Logo

HydraMaster MAXX 450D - Page 81

Default Icon
187 pages
Print Icon
To Next Page IconTo Next Page
To Next Page IconTo Next Page
To Previous Page IconTo Previous Page
To Previous Page IconTo Previous Page
Loading...
MAXX 450D/470/Diesel Page 1-69
HydraMaster Corporation
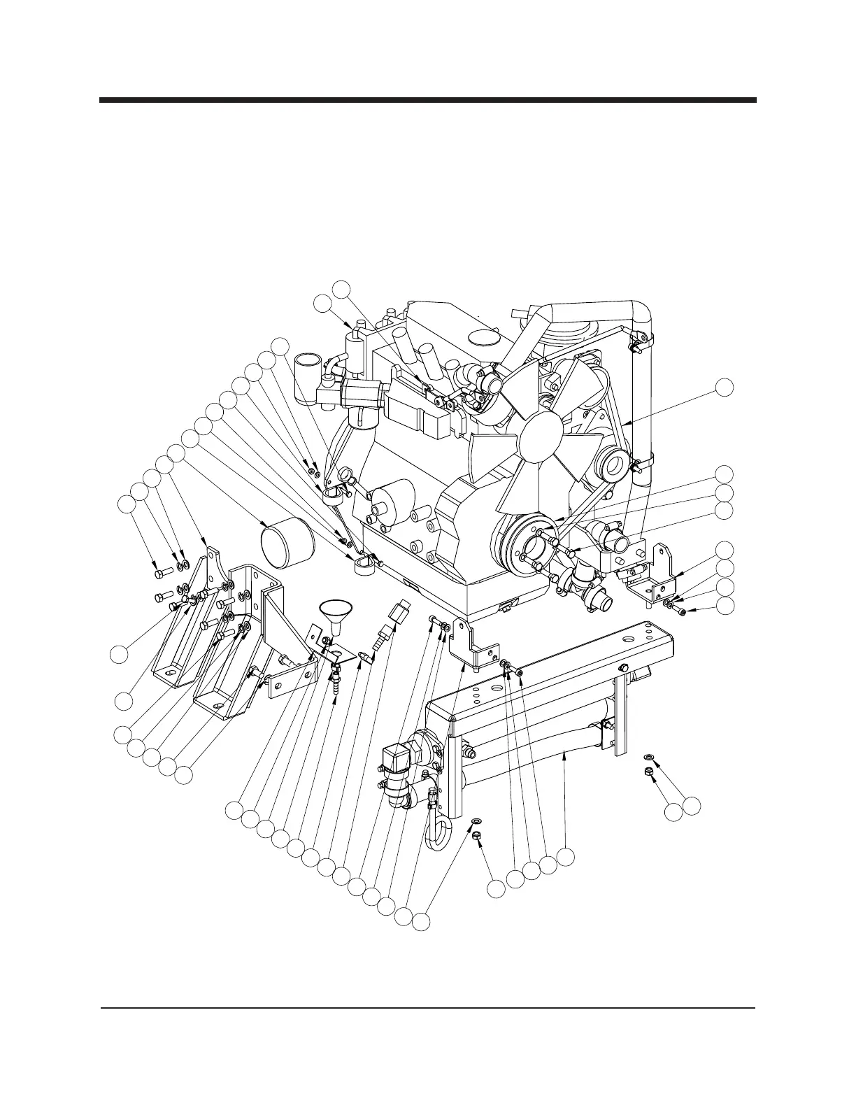
Figure 1-32 Maxx 450D Daihatsu Engine Assembly - View 2
D-4351 Rev G
15
15
23
21
23
21
22
45
45
17
12
6
14
22
42
14
6
15
43
30
36
35
26
39
38
37
23
21
22
11
61
1
6
2
22
20
19
15
46
46
17
66
47
47
11
24
8
24
40
7