EasyManua.ls Logo

HydraMaster MAXX 450D - Page 86

Default Icon
187 pages
Print Icon
To Next Page IconTo Next Page
To Next Page IconTo Next Page
To Previous Page IconTo Previous Page
To Previous Page IconTo Previous Page
Loading...
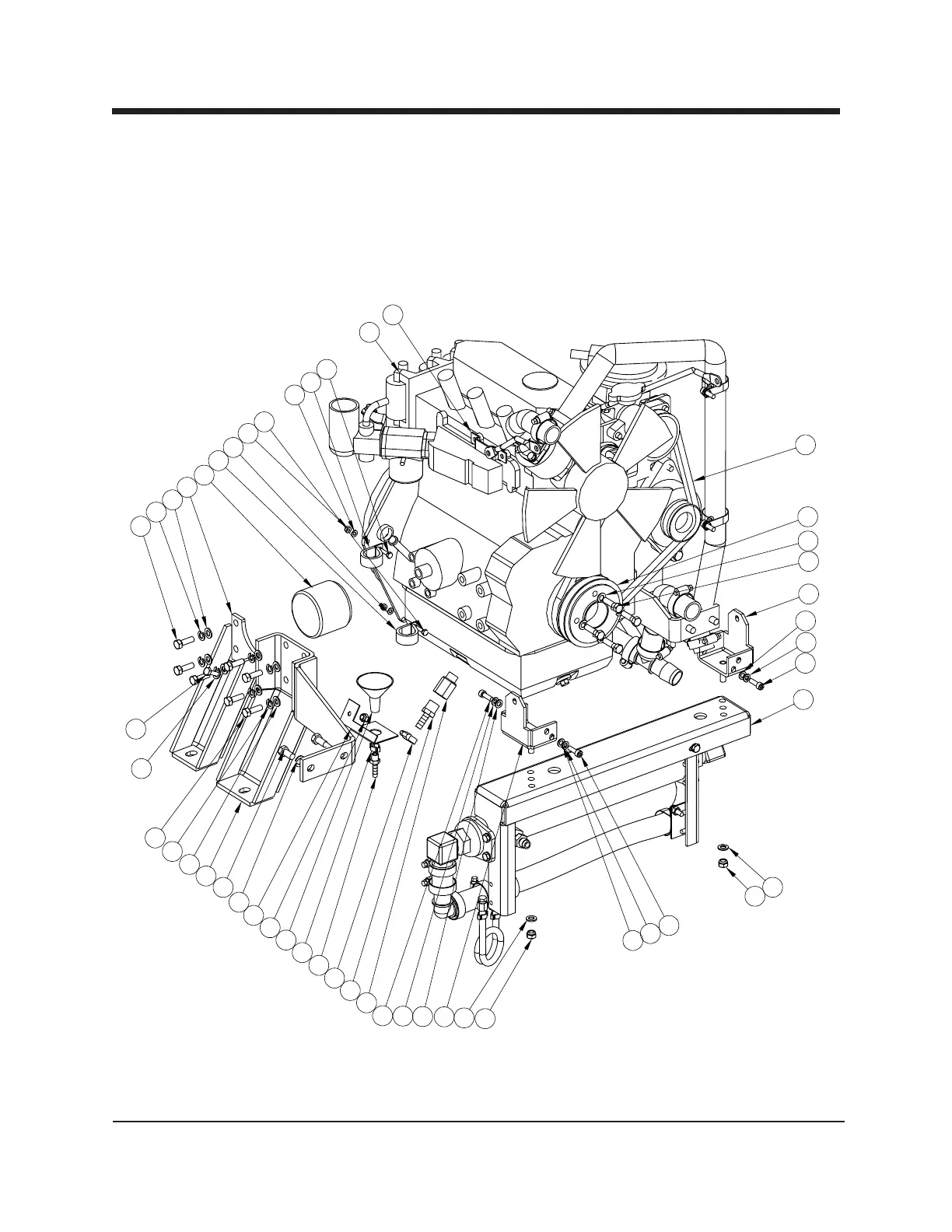
Page 1-74 MAXX 450D/470/Diesel
HydraMaster Corporation
Figure 1-34
Maxx 470D Daihatsu
Engine Assembly - View 2
D-4567 Rev H
61
2
22
21
23
15
23
21
22
11
22
21
23
37
38
39
35
36
30
43
26
15
6
14
42
22
14
6
15
12
45
46
17
45
17
1
66
6
7
15
20
19
46
47
11
24
24
40
8
9