EasyManua.ls Logo

Hyster D187 - Check Engine Light (Mazda and GM LPG Closed Loop with Low-Emission System); Malfunction Indicator Lamp (GM 3.0 L Gasoline Engine); Engine Oil Pressure

Hyster D187
80 pages
Print Icon
To Next Page IconTo Next Page
To Next Page IconTo Next Page
To Previous Page IconTo Previous Page
To Previous Page IconTo Previous Page
Loading...
Maintenance Procedures Every 8 Hours or Daily 8000 SRM 707
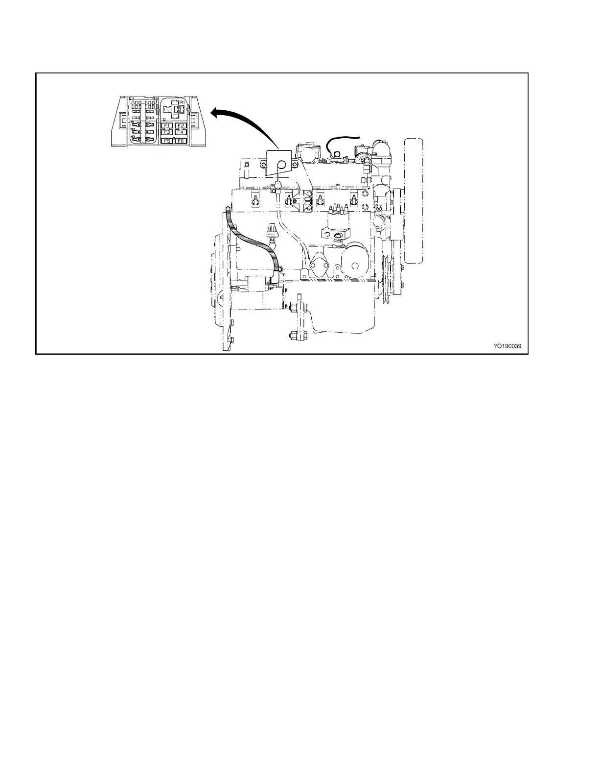
F1 20 AMPS
F2 5 AMPS
F3 15 AMPS
F4 15 AMPS
R1 STARTER RELAY
R2 POWER
RELAY
R3 FUEL PUMP RELAY
Figure 15. Engine Compartment Fuses And Relays, GM 3.0L EPA Compliant Engines (Newer Lift
Truck Models)
Check Engine Light (Mazda and GM LPG
Closed Loop with Low-Emission System)
When the ignition switch is turned to the ON posi-
tion, the Check Engine light on the instrument panel
will illuminate to indicate the ECM has completed
the circuit. If the light does not illuminate, refer to
LPG Fuel System, Aisan Closed Loop, 900 SRM
948 or LPG/Gasoline Fuel System, GM 3.0L and
4.3L EPA Compliant Engines 900 SRM 1088 for
troubleshooting. When the engine is started, the
light will go off. If the light stays on while the en-
gine is running, refer to LPG Fuel System, Aisan
Closed Loop 900SRM948orLPG/Gasoline Fuel
System, GM 3.0L and 4.3L EPA Compliant En-
gines 900 SRM 1088 for troubleshooting.
Malfunction Indicator Lamp (GM 3.0L
Gasoline Engine)
When the ignition switch is turned to the ON posi-
tion, the Check Engine light on the instrument panel
will illuminate to indicate the ECM has completed
the circuit. If the light does not illuminate, refer to
GM 3.0L Engine Control Repair (Early Models)
2200 SRM 611 or GM 3.0L Engine Control Repair
(Later Models), 2200 SRM 782 or Electronic Con-
trol Module (ECM) GM 3.0L and 4.3L EPA Com-
pliant Engines 2200 SRM 1090, for troubleshoot-
ing. When the engine is started, the light will go
off. If the light stays on while the engine is run-
ning, there is a problem with the fuel injection sys-
tem. Refer to GM 3.0L Engine Control Repair
(Early Models), 2200 SRM 611 or GM 3.0L Engine
Control Repair (Later Models), 2200 SRM 782 or
Electronic Control Module (ECM) GM 3.0L and
4.3L EPA Compliant Engines 2200 SRM 1090 for
troubleshooting.
Engine Oil Pressure
NOTE: The engine will stop after a 30-second warn-
ing buzzer if engine oil pressure is less than 13.8 kPa
30

Table of Contents

Other manuals for Hyster D187

Related product manuals