EasyManua.ls Logo

Hyster D187 - Perkins 704-26 (UB); Engine Oil and Filter

Hyster D187
80 pages
Print Icon
To Next Page IconTo Next Page
To Next Page IconTo Next Page
To Previous Page IconTo Previous Page
To Previous Page IconTo Previous Page
Loading...
8000 SRM 707 Maintenance Procedures Every 250 Hours or 6 Weeks
1. CHECK TENSION HERE
2. ALTERNATOR SUPPORT BRACKET
Figure 20. Drive Belt Check, GM Engines With
Serpentine Belt
For V-shaped drive belts, check tension on fan belt
by pushing on drive belt to check deflection. When
the pressure is 90 N (20 lbf), the correct deflection is
approximately 14 to 16 mm (0.55 to 0.63 in.). Loosen
support bracket for idler pulley to adjust tension of
V-belt.
For V-shaped drive belts, check tension on alterna-
tor belt by pushing on drive belt to check deflection.
When the pressure is 90 N (20 lbf), the correct de-
flection is approximately 10 to 13 mm (0.4 to 0.5 in.).
Loosen support bracket for alternator to adjust ten-
sion of V-belt.
For the serpentine drive belt, check the tension on
the fan belt by pushing the drive belt to check de-
flection. When the pressure is 133 N•m (30 lbf), the
correct deflection is approximately 4 to 6 mm (0.16 to
0.24 in.). Loosen the support bracket for the alterna-
tor to adjust tension of serpentine belt.
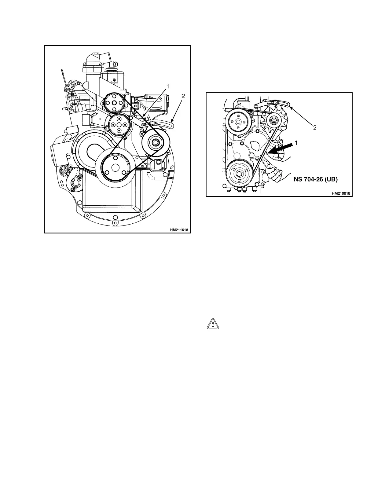
Perkins 704-26 (UB)
Check drive belt for wear and damage. See Figure 21.
1. CHECK TENSION HERE
2. ALTERNATOR SUPPORT BRACKET
Figure 21. Perkins Diesel Engine Drive Belt
Check and Adjustment
Check tension by pushing on drive belt with your
thumb and check deflection. When the pressure is
90 N (20 lbf), the correct deflection is approximately
13 mm (0.5 in.). Loosen alternator support bracket
to adjust tension of belt.
ENGINE OIL AND FILTER
NOTE: Change oil filter for engine at the first 100
hours of operation on new lift trucks.
CAUTION
Never run the engine without oil.
Changeoilfilteratthesametimeengineoilis
changed. See Figure 11. Use the correct oil accord-
ing to the Maintenance Schedule. Apply clean oil to
gasket of new filter. Install new filter. Turn filter
until gasket touches, then tighten 1/2 to 3/4 turn
with your hand. Start engine. Check area around
oil filter for leaks.
35

Table of Contents

Other manuals for Hyster D187

Related product manuals