EasyManua.ls Logo

IBM 6360 - Page 115

IBM 6360
263 pages
Print Icon
To Next Page IconTo Next Page
To Next Page IconTo Next Page
To Previous Page IconTo Previous Page
To Previous Page IconTo Previous Page
Loading...
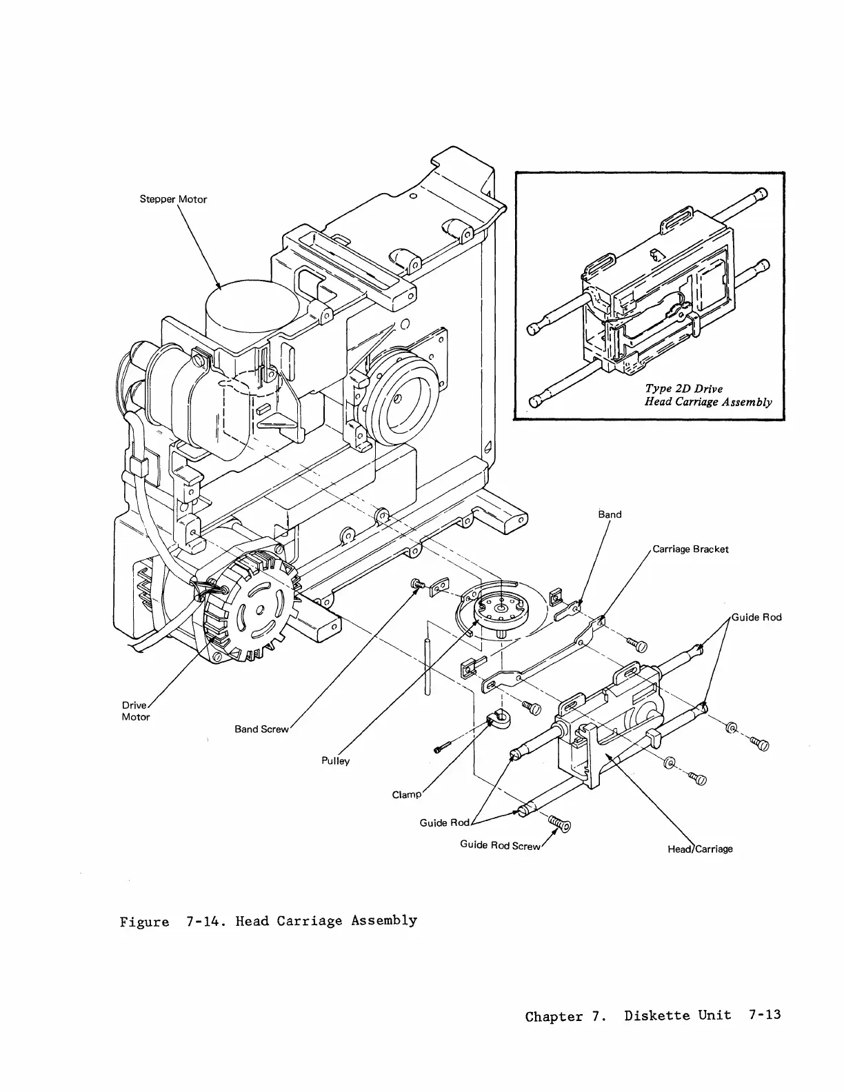
Drive
Motor
Band Screw
Pulley
Clamp
Type 2D Drive
Head Carriage
Assembly
Band
Guide Rod
"-
Guide Rod
~
Guide Rod
screw/
Figure
7-14.
Head
Carriage
Assembly
Chapter
7.
Diskette
Unit
7-13

Table of Contents

Related product manuals