EasyManua.ls Logo

IBM 6360 - Page 184

IBM 6360
263 pages
Print Icon
To Next Page IconTo Next Page
To Next Page IconTo Next Page
To Previous Page IconTo Previous Page
To Previous Page IconTo Previous Page
Loading...
OISKETTE
ADAPTER
CARD
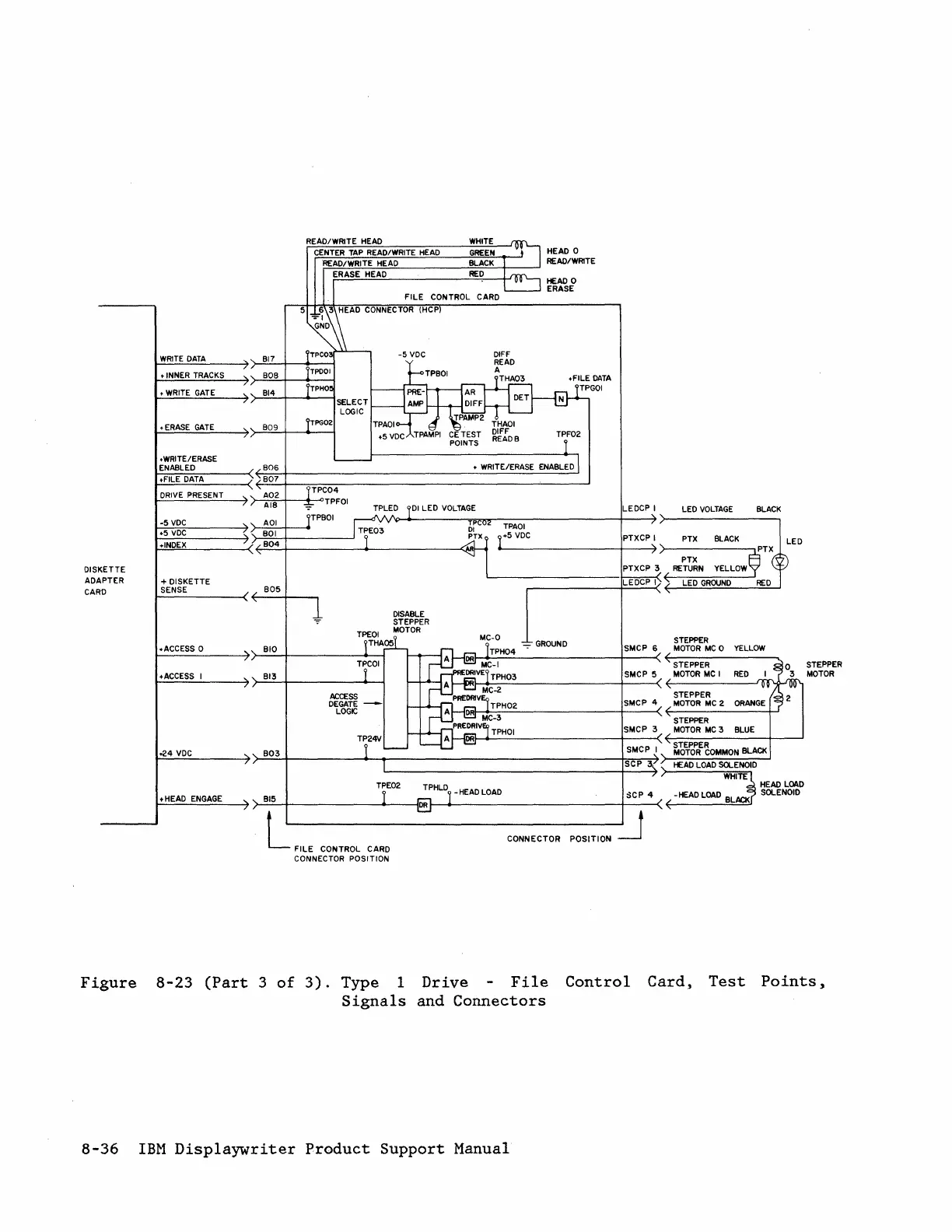
Figure
8-36
READ/WRITE
HEAD
WHITE
GREEN
BLACK
RED
HEAD
0
READ/WRITE
HEAD
0
ERASE
FILE
CONT~OL
CARD
WRITE
DATA
)--!B::,.17:--1----.._-I
INNER
TRACKS
>--=B::.::Oo.::8~
___
~
WRITE
GATE
>--=B~14-'--+-
__
--I
.ERASE
GATE
_WRITE/ERASE
ENABLED
.FILE
DATA
B09
TPG02
...
D::.:R:...;IV:...;E::....:...P:...;R::;ES::.:E:.;.N:...;T_---=t
)-::-;::::-+--+-J>TPFOI
-5VDC
-5
VDC
.INDEX
+ DISKETTE
SENSE
.ACCESS 0
.ACCESS I
+24
VDC
B05
BIO
BI3
ACCESS
DEGATE
___
_
LOGIC
B03
(HCP
DISABLE
STEPPER
MOTOR
TPE02
..
HEAD
ENGAGE
>-=B:..:;15~~
______
---<~_~
~
FILE
CONTROL
CARD
CONNECTOR
POSITION
TPAOI
.. 5
VOC
"7
GROUND
TPHOI
-HEAD
LOAD
CONNECTOR
POSITION
LEDCP I
LED
VOLTAGE
BLACK
PTXCP I
PTX
SLACK
LED
STEPPER
SMCP
6
MOTOR
MC
0
YELLOW
STEPPER
STEPPER
SMCP
5
MOTOR
MC
I
RED
MOTOR
STEPPER
SMCP
4
MOTOR
MC
2
STEPPER
SMCP 3
MOTOR
MC
3
BLUE
SMCP
I
~1VJ'RE~OMMON
BLACK
SCP 3
HEAD
LOAD
SOLENOID
HEAD
LOAD
SCP 4
-
HEAD
LOAD
BLACK
SOLENOID
~
8-23
(Part
3
of
3).
Type 1
Drive
File
Control
Card,
Test
Points,
Signals
and
Connectors
IBM
Displaywriter
Product
Support
Manual

Table of Contents

Related product manuals