EasyManua.ls Logo

Icom IC-821H - Page 89

Icom IC-821H
110 pages
Print Icon
To Next Page IconTo Next Page
To Next Page IconTo Next Page
To Previous Page IconTo Previous Page
To Previous Page IconTo Previous Page
Loading...
I
Alel
I(
013
aSK131
01
3SK131
poco
Ale2
leI
Ble2
AAle
(from
FRONn
'21"
OISP)
liSP}
ose
ttl
••
PLl)
AORF
Q43
RN2425
ICf04
044 oTel44EU
TeTS04F
Q20".
a20S
DTA114EUx2
f---------7pBTO
13.8V
T8
/-----------7
PATO
037
RN2427
Q41
DTCt
14EU
"
~-------"'-R8
~
FORA
FORB
SeWN
SFM
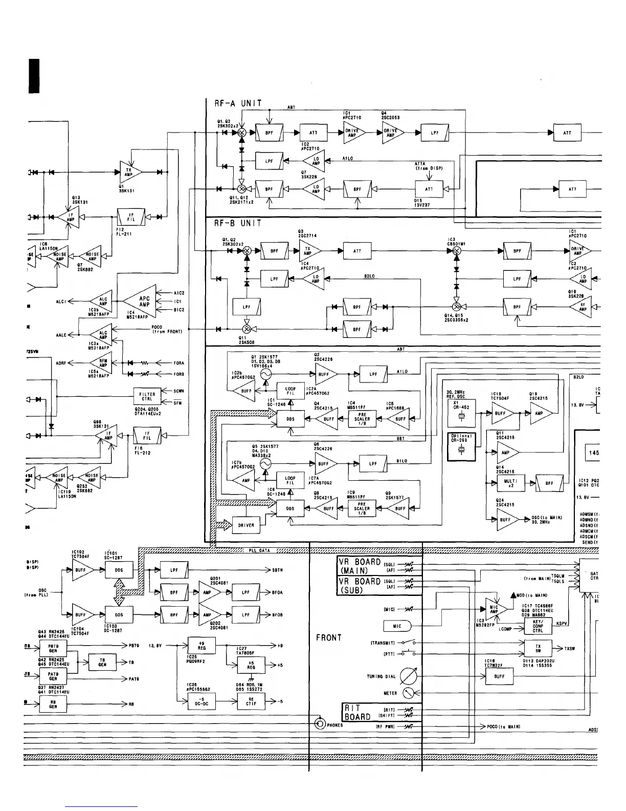
RF-A
UNIT
RF-B
UNIT
011
2SK508
S8TH
BFOA
BFOB
B1l0
VR
BOARD
[SOLI
(MA
I
N)
[AFI
VR
BOARD
[SOL)
(SUB)
IAF)
[Mle)
-L-
30.2MHz
REF.OSe
XI
eR-462
.-L
=
T
OPt
10n,1
eR-2B3
.-L
=
T
ICtS
TC1S04F
QIB
2Se4215
(frolll
MAtN)~~:~:
[PTTI
-0
o--t-------+-t-------?L-=:~_..J
TUNING
DIAL
METER
0113
OAP202U
Oil.
155355
B2l0
Ie
TA
13.BV-{
lel2
P02
QtOI
OTC
13.BV-
AOMSM
(f,
AOMNO
(f
AOSNO(f
AOMCM(f
ADSCMO
SENo(1
GAT
eTR
IC
Bt
RIT
BOARD
[RITI
--fN,f-+------++--------------..J
[SHI
FT)
--fN,f-+------++----------------'
PHONES:-=~:.:.:.="'"7,[R~F-P;;W;;;Rj"1
=;~:i-----_++~Poeo("
MAIN)
ADSl

Related product manuals