EasyManua.ls Logo

Icom IC-821H - Section 10 Block Diagram

Icom IC-821H
110 pages
To Next Page IconTo Next Page
To Next Page IconTo Next Page
To Previous Page IconTo Previous Page
To Previous Page IconTo Previous Page
Loading...
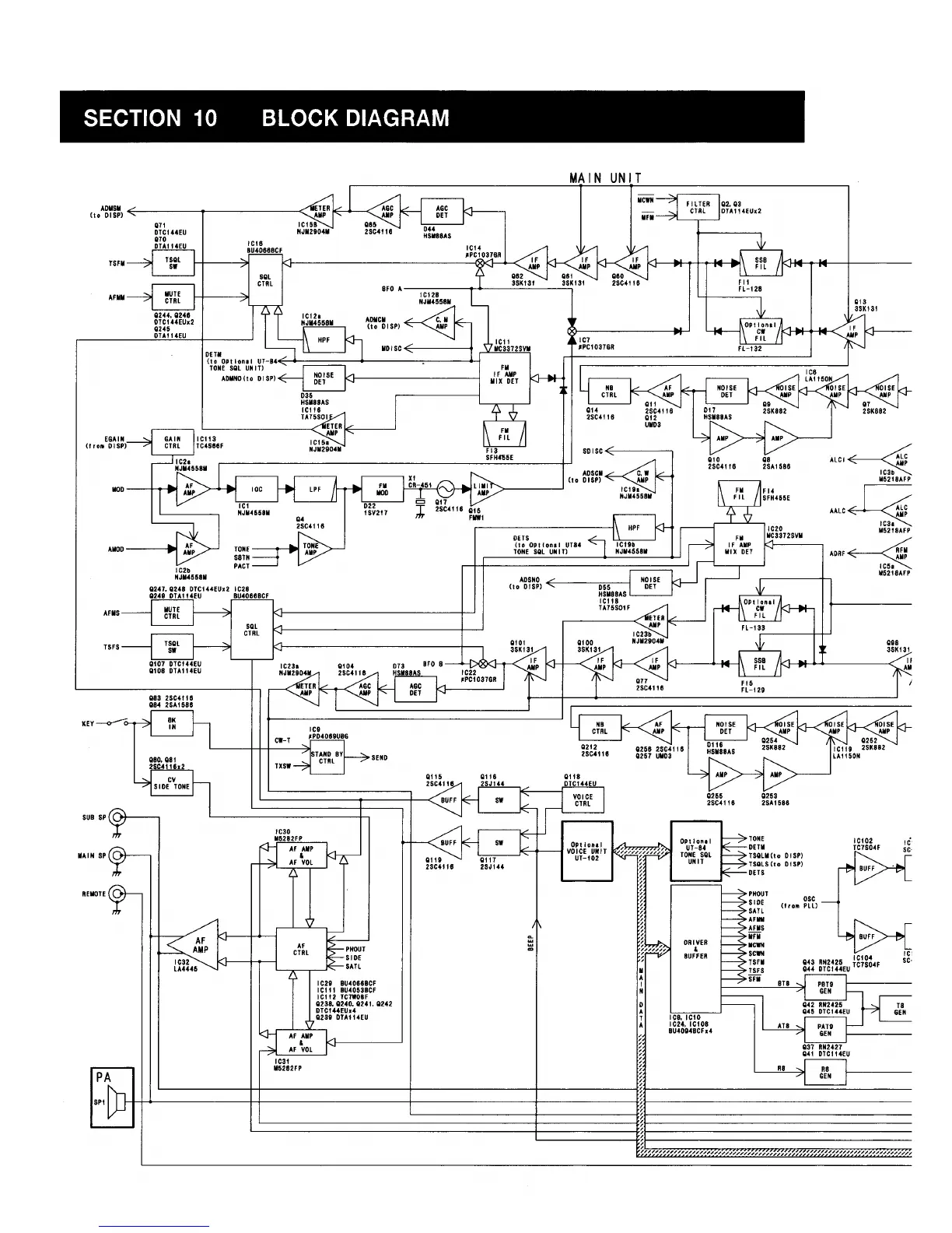
SECTION 10 BLOCK DIAGRAM
TSFM
AFMM
EGAIN
(troll
OISP)
MOO--+-<
.......
~
AMOO
IC2b
NJM455SM
AFMS
TSFS
Q107
DTC1·
...
EU
Ql0S DTAl14EU
au
2SC41t6
Q84
25A1588
SUB
SP
(
C)J----,
itA
I H
SP
I
LTr---'
REMOTE
IC1S
BU4066SCF
SQl
CTRl
SQl
CTRl
C.-T
US.
I
C29
SU4066SCF
IClll
SU4053BCF
I
C112
Tel.0aF
Q238, Q240. Q241.
Q242
DTC144EUx4
Q2Ba
DTA114EU
MAIN
UNIT
DETS
(to
OPtiona'
UT8
..
TONE
SQl
UNIT)
MFM
,
Q2.
Q3
DTA114EUx2
Q255
2SC4116
Optlonl'
UT-B4
TONE
SQL
UN
IT
DRIVER
,
SUFFER
Ica. ICtD
IC24. IC10S
BU4094BCF.4
Q253
2SA15S6
"
Q31
RN2
..
27
~
Q41
DTC114EU
~
RI
,
IC102
TC1S04F
PA
L-
_______
~~------------~----------_+--------_{~~---------
____
~======~
____
__
SPl
L-----------+---------t~r-------------------------
L----------t.~r-------------------------
~,,,
"",
",,,,,,,
"""""
",
",,,,,
//"11'''',,,,,,,/,,,,,,
/~
"""""
", ""/;1/""
JIll",
"/',
//
"

Related product manuals