EasyManua.ls Logo

iM3 REVOLUTION 4DC - 12 Dimensional Characteristics

Default Icon
53 pages
Print Icon
To Next Page IconTo Next Page
To Next Page IconTo Next Page
To Previous Page IconTo Previous Page
To Previous Page IconTo Previous Page
Loading...
EN
OPERATOR'S MANUAL
35
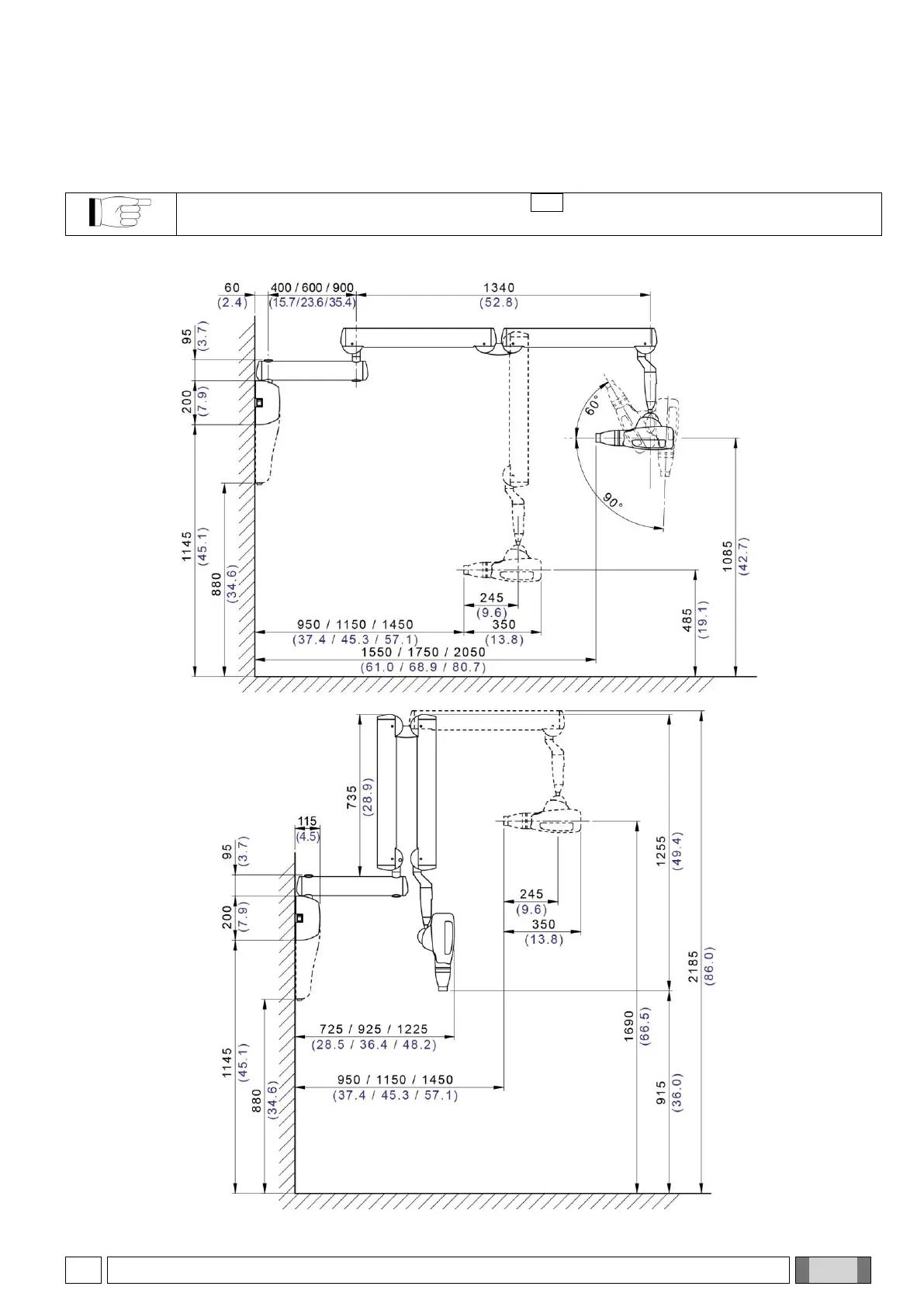
12. DIMENSIONAL CHARACTERISTICS
WALL-MOUNTED VERSION WITH BALL JOINT
NOTE: This section applies only to models RX DC REF: I3PV****S
(Character * can be any alphanumeric value)
All dimensions are expressed in millimetres (inches).

Other manuals for iM3 REVOLUTION 4DC

Related product manuals