EasyManua.ls Logo

Immergas EOLO STAR 24 4E - Technical Data and Diagrams; Boiler Hydraulic Diagram

Immergas EOLO STAR 24 4E
52 pages
Print Icon
To Next Page IconTo Next Page
To Next Page IconTo Next Page
To Previous Page IconTo Previous Page
To Previous Page IconTo Previous Page
Loading...
32
38
INSTALLER
USER
MAINTENANCE TECHNICIAN
TECHNICAL DATA
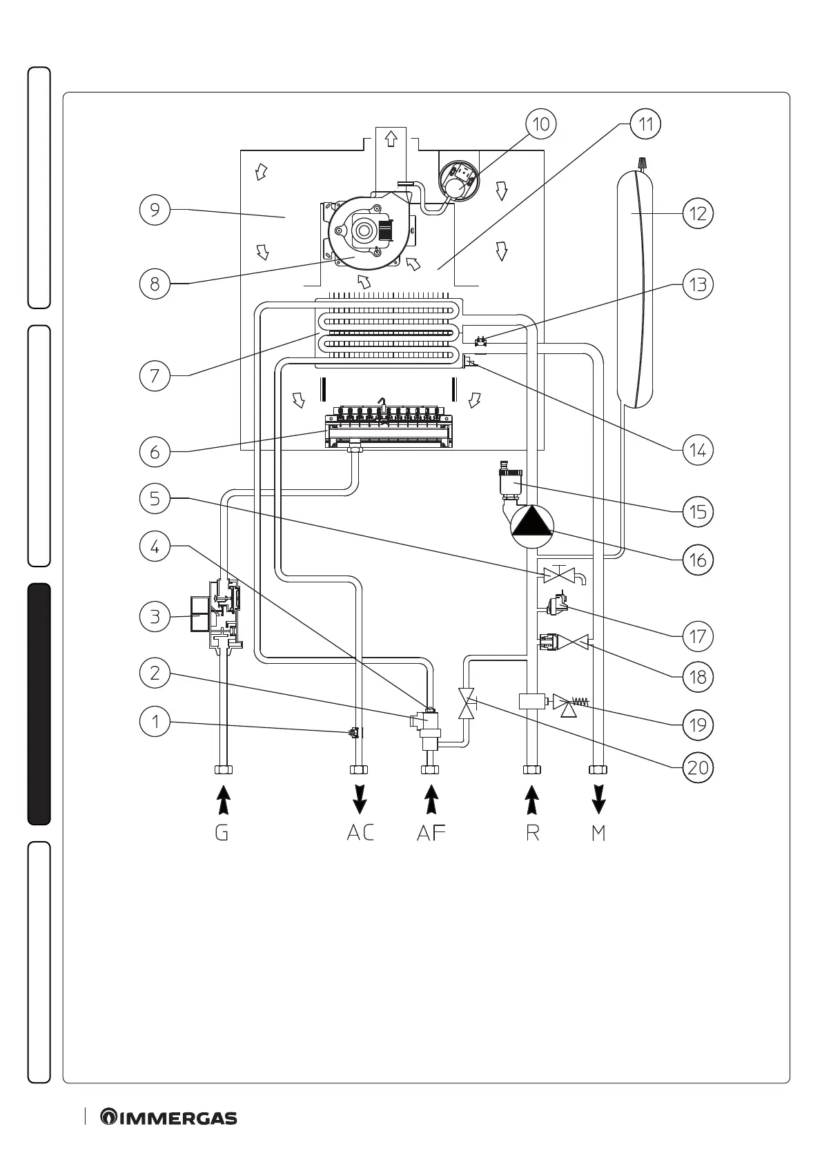
3.4 BOILER HYDRAULIC DIAGRAM.
Key:
1 - D.H.W. probe
2 - D.H.W. ow switch
3 - Gas valve
4 - Flow limiter
5 - System draining valve
6 - Burner
7 - Rapid heat exchanger
8 - Fan
9 - Sealed chamber
10 - Flue pressure switch
11 - Flue hood
12 - System expansion vessel
13 - Flow probe
14 - Safety thermostat
15 - Air vent valve
16 - Boiler pump
17 - System pressure switch
18 - By-pass
19 - 3 bar safety valve
20 - System lling valve
G - Gas supply
AC - Domestic hot water outlet
AF - Domestic hot water inlet
R - System return
M - System ow

Table of Contents

Related product manuals