EasyManua.ls Logo

Inkcups Now XJET - Chapter 4 Meniscus System; Meniscus System Diagram; Components

Inkcups Now XJET
101 pages
Print Icon
To Next Page IconTo Next Page
To Next Page IconTo Next Page
To Previous Page IconTo Previous Page
To Previous Page IconTo Previous Page
Loading...
CHAPTER 4 MENISCUS SYSTEM
The meniscus system for inks in TCL1818 printer can be divided into two parts: negative pressure system and
positive pressure system. Negative Pressure System provides negative pressure to control the ink level inside
print heads so as to achieve high speed printing. It hold ink back to avoid flowing freely during printing and when
print heads are idle. The negative pressure for KCMY and white ink is controlled separately. Positive Pressure
System to generate positive pressure for purging to clean heads and avoid nozzle jam.
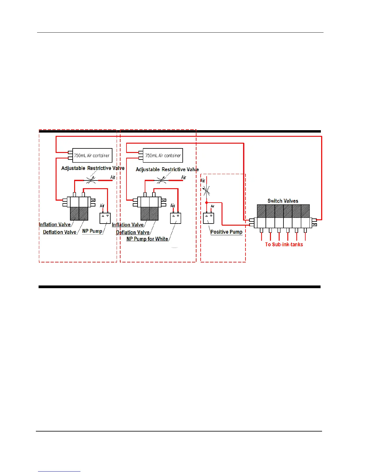
4-1 MENISCUS SYSTEM DIAGRAM
4-2 COMPONENTS
Negative Pressure
Negative Pump: It provides negative pressure required by the printing operation. It is connected to JP301 of
Negative Pressure Control Board that gives orders.
Inflation Valve: It triggers the negative pressure pump to pump. It connects to JP301 or JP302 on negative
pressure control board that orders the valve to inflate when it detects abnormal low pressure in the air
cylinder.
Deflation Valve: It is used to trigger the Adjustable Restrictive Valve to deflate. It connects to JP301 or
JP302 on negative pressure control board that orders the valve to deflate when it detects abnormal high
pressure in the air cylinder.
Adjustable Restrictive Valve: It is used to obtain optimized target pressure value and it helps to stabilize
the pressure. It releases air when there’s too much pressure, the order of which is given by three-way
e-valve (Deflation).
Negative Pressure for
KCMY Channels
Negative Pressure for
White Ink Channels
Positive
Pressure
INKCUPS NOW SERIES INKJET PRINTERS
XJET
All rights reserved by Inkcups Now Corporation
Rev: SC71112
Page 40 of 100

Table of Contents