EasyManua.ls Logo

Intermatic MultiWave - Page 36

Intermatic MultiWave
50 pages
Print Icon
To Next Page IconTo Next Page
To Next Page IconTo Next Page
To Previous Page IconTo Previous Page
To Previous Page IconTo Previous Page
Loading...
www.intermatic.com
36
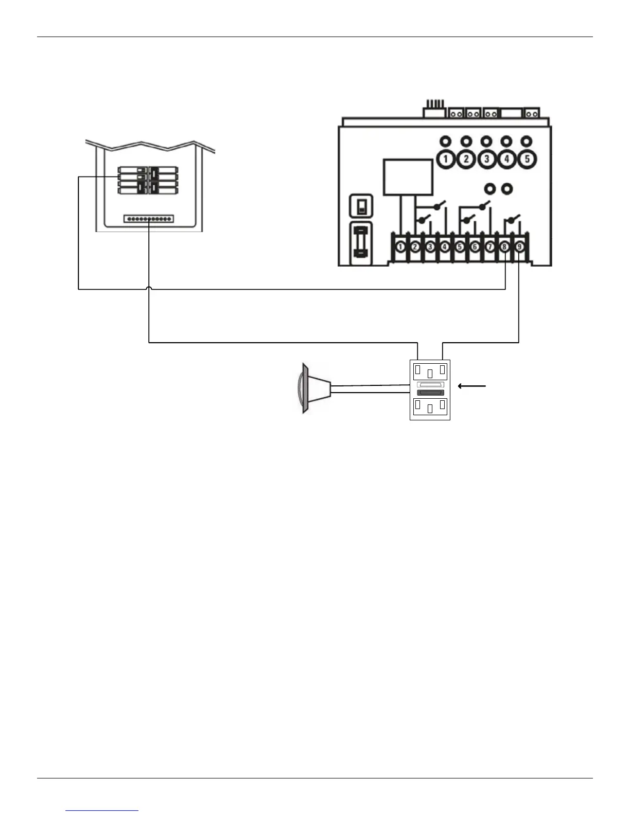
MultiWave Control System Installation Guide
Receiver
Power
Supply
120V
240V
Neutral Bus
Lights
Load Side of GFCI
or
Safety Transformer
Neutral
Neutral
Hot Line #1
Hot Line #1
120 VAC GFCI
or
12 VAC Safety Transformer
Figure 5-3. Wiring Circuit #5 to a 120 VAC Light with GFCI for PE653RC and P5043ME.

Table of Contents

Related product manuals