EasyManua.ls Logo

INVT GD350-2R2G-4 - Page 286

INVT GD350-2R2G-4
341 pages
Print Icon
To Next Page IconTo Next Page
To Next Page IconTo Next Page
To Previous Page IconTo Previous Page
To Previous Page IconTo Previous Page
Loading...
Goodrive350 series high-performance multi-function inverter Appendix A
-281-
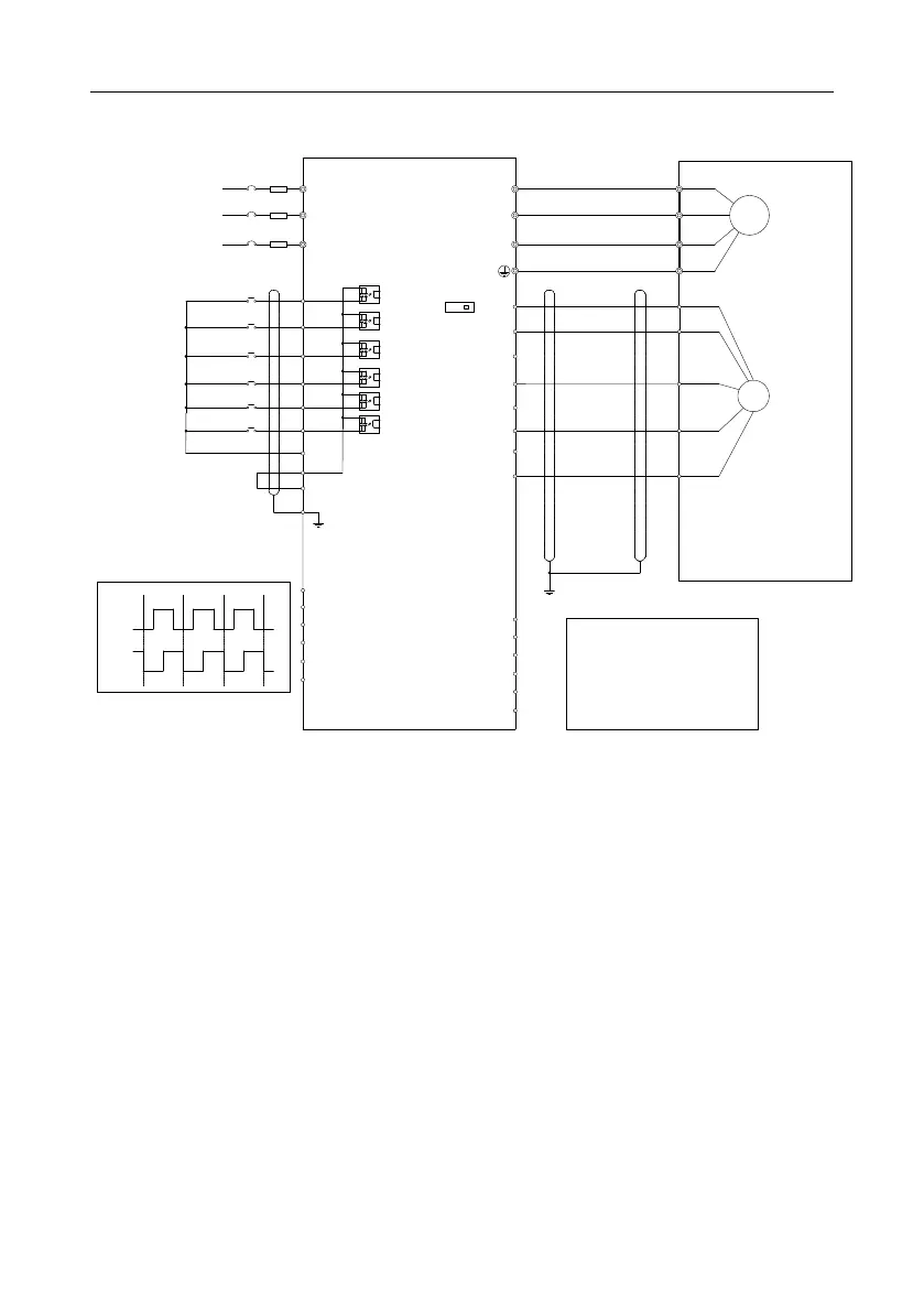
The following figure shows the external wiring of the extension card used in combination with a
push-pull encoder.
+24V
PE
COM
S4
S3
S2
S1
HDIB
PW
HDIA
A1-
B1+
B1-
Z1+
Z1-
R
S
T
U
V
W
U
V
W
M3~
PG
AO+
AO-
BO+
BO-
ZO+
ZO-
pulse A
pulse B
A2+
A2-
B2+
B2-
Forward
jogging
Forward
running
CNC
PLC
Upper computer
A1+
Fault reset
Z2+
Z2-
PGND
PWR
5V
12V
SW1
Z
B
A

Table of Contents

Related product manuals