EasyManua.ls Logo

INVT GD350-2R2G-4 - Page 58

INVT GD350-2R2G-4
341 pages
Print Icon
To Next Page IconTo Next Page
To Next Page IconTo Next Page
To Previous Page IconTo Previous Page
To Previous Page IconTo Previous Page
Loading...
Goodrive350 series high-performance multi-function inverter Chapter 5
-53-
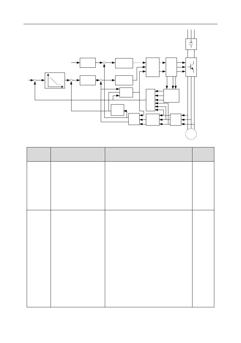
Calculate i
m
ACR
exciting
current
Flux linkage
observation
Current
detection
Position
observation
Speed
identific
ation
Voltage
detection
ACR
torque current
Calculate i
T
Park
conversion
PWM
pulse
Rectifier
bridge
IGBT
bridge
Motor
Park
conversio
n
Clark
conversion
φ
+
-
+
-
+
-
U
V
U
W
Uu
i
U
i
V
i
W
U
V
U
W
Uu
i
M
i
T
1w
r
1w
r
φ
i
T
R S T
Function
code
Name
Detailed parameter description
Default
value
P00.00
Speed control mode
0:SVC 0
1:SVC 1
2:SVPWM
3:VC
Note: If 0, 1 or 3 is selected, it is
required to carry out motor parameter
autotuning first.
2
P00.15
Motor parameter
autotuning
0: No operation
1: Rotary autotuning; carry out
comprehensive motor parameter
autotuning; rotary autotuning is used in
cases where high control precision is
required;
2: Static autotuning 1 (comprehensive
autotuning); static autotuning 1 is used in
cases where the motor cannot be
disconnected from load;
3: Static autotuning 2 (partial autotuning) ;
when current motor is motor 1, only
P02.06, P02.07 and P02.08 will be
autotuned; when current motor is motor 2,
0

Table of Contents

Related product manuals