EasyManua.ls Logo

ION FALCO - Page 22

ION FALCO
46 pages
Print Icon
To Next Page IconTo Next Page
To Next Page IconTo Next Page
To Previous Page IconTo Previous Page
To Previous Page IconTo Previous Page
Loading...
FALCO Instrument User Manual V1.2R
Unrivalled Gas Detection. Page 22 of 46 ionscience.com
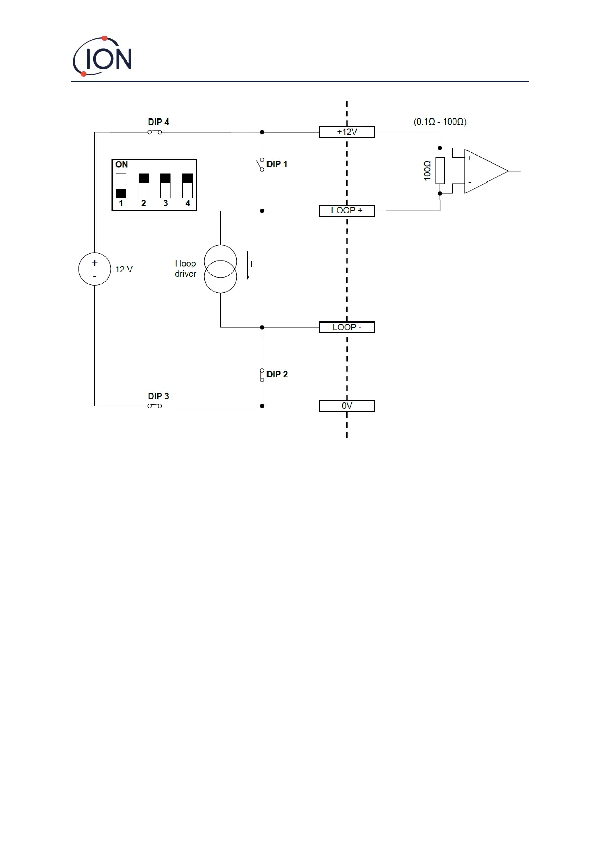
Falco Current Loop Configuration 4 active current loop, using internal power supply connected to the current
source.

Table of Contents