EasyManua.ls Logo

ISOMAG ML 110 - OUTPUT WIRINGS; Output On;Off (1250 Hz); Output 4-20 mA

ISOMAG ML 110
36 pages
Print Icon
To Next Page IconTo Next Page
To Next Page IconTo Next Page
To Previous Page IconTo Previous Page
To Previous Page IconTo Previous Page
Loading...
12
24V COMMON
+24V INTERNAL
mA
9 (+)
10 (-)
I
4-20mA OUT
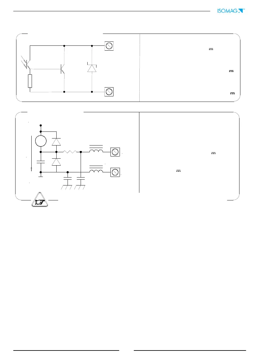
Output 4-20mA
Opto-insulated output
Maximum load: 1000Ω
Maximum voltage without load: 27V
Refresh frequency is the same of the sample
frequency of the connected sensor
Protected against persistent over voltages to
maximum 30V
There is a converter load CHECK on the 4–20mA output; to disable this
function set the value "mA v.fault" to 0 (Pos. 4.4)
OUTPUT WIRINGS
NOTE: shielded cables are recommended for inputs and outputs wiring.
Output on/off 1250Hz
Opto-insulated output with floating collector and
emitter terminals freely connectable
Maximum switching voltage: 40V
Maximum switching current: 100mA
Maximum saturation voltage between collector
and emitter @100mA: 1.2V
Maximum switching frequency (load on the
collector or emitter, RL=470, VOUT=24V ):
1250Hz
Maximum reverse current bearable on the input
during and accidental polarity reversion (VEC):
100mA
Insulation from other secondary circuits: 500V
16 (out1)
18 (out2)
17 (out1)
19 (out2)
43V

Related product manuals