EasyManua.ls Logo

ITS Telecom Pancode - Volume Control

Default Icon
26 pages
Print Icon
To Next Page IconTo Next Page
To Next Page IconTo Next Page
To Previous Page IconTo Previous Page
To Previous Page IconTo Previous Page
Loading...
PanCam/Pantel/Pancode
Installation and Programming Manual
11
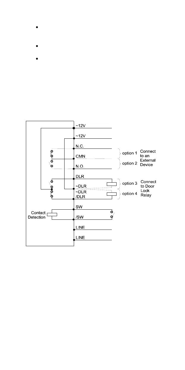
Option
2:
For use with an external device, which
requires the Pancode to be set up as “Normally
Open”
Option 3:
For use with powered
-
unlocked
-
state lock
relay (most common)
Option 4:
For use with powered
-
locked
-
state lock
relay
(
recommended for safety purposes in
an
emergency
situation
)
The following schematic diagram shows the wiring plan for
these four options.
PanCam/Pantel/Pancode
Circuit (PCB Side)
Figure 2
-
7. PanCam/Pantel/Pancode Wiring Schematics
2.4
V
olume Control
The volume of the PanCam/Pantel/Pancode speaker can be
adjusted using the volume controller located on the unit’s back
panel.
After installing the unit, test the volume. In case it is too
low/high, remove the unit from the mounting bracket a
nd
adjust the volume using a small screwdriver.

Related product manuals