EasyManua.ls Logo

Jacobsen LF557 4WD - Page 125

Jacobsen LF557 4WD
152 pages
Print Icon
To Next Page IconTo Next Page
To Next Page IconTo Next Page
To Previous Page IconTo Previous Page
To Previous Page IconTo Previous Page
Loading...
125
LIGHTWEIGHT FAIRWAY MOWER
61.1
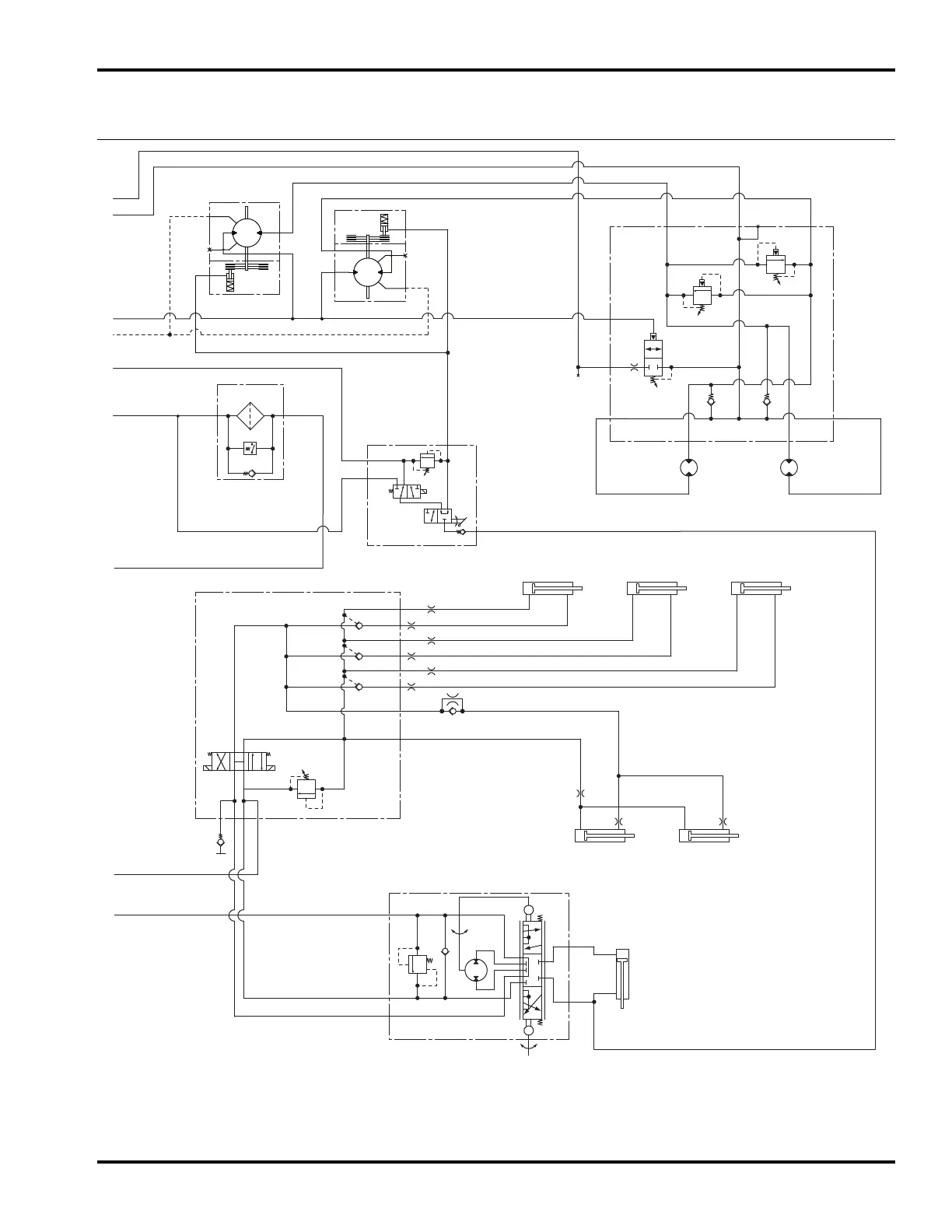
4WD 5 Gang Schematic (Continued)
Serial No. All
GP TT
450 psi
.026
25 psi
25 psi
10 Micron
Charge
Filter
Lift
Valve
Strg.
Diag
E
F
G
H
J
Steering Valve
LT
L
R
P
T
E
RT
1450 psi
One Way
Orifice
SOL3
SOL4
LF RFREV
DRN
M2
LRR
LRF
RRR
RRF
.040
4WD
Valve
Left Rear
Wheel Motor
Right Rear
Wheel Motor
A
B
C
D
280 psi
280 psi
Right Front
Wheel Motor
1
X
2
1
X
2
L
R
L
R
Left Front
Wheel Motor
24.3 ci
24.3 ci
Left Front
Cylinder
Center
Cylinder
Left Rear
Cylinder
Right Rear
Cylinder
Right Front
Cylinder
.040
.040
.040
.040
.040
.040
.055
.040
.040
3
2
1
4
6
9
10
8
SOL8
CHG
ST
BR
DRN
Brake
Release
Valve
350 psi

Related product manuals