EasyManua.ls Logo

Jacobsen Tri King

Jacobsen Tri King
136 pages
To Next Page IconTo Next Page
To Next Page IconTo Next Page
To Previous Page IconTo Previous Page
To Previous Page IconTo Previous Page
Loading...
50
1
13
3
8
2
2
3
8
6
9
7
22
21
12
11
10
9
5
14
15
19
20
18
4
23
17
16
TRI-KING
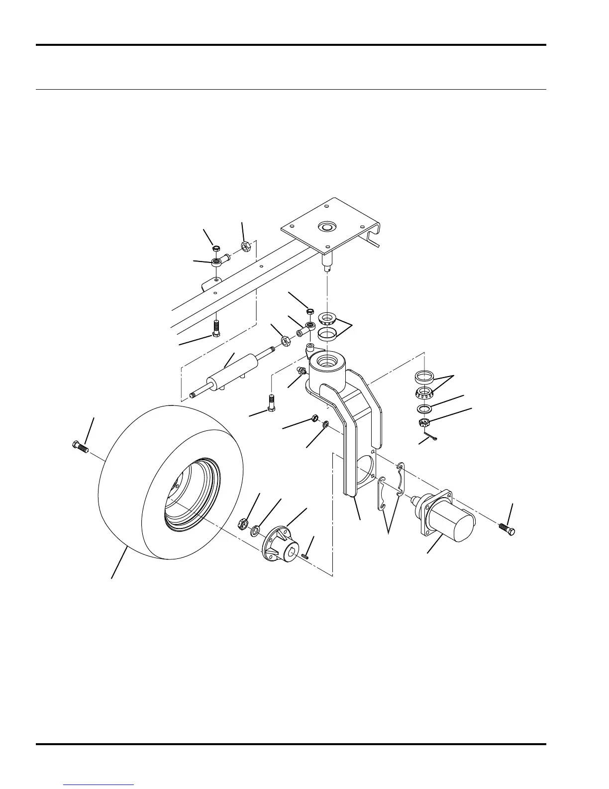
11.1 Rear Steering
Serial No. All

Table of Contents

Other manuals for Jacobsen Tri King

Related product manuals