EasyManua.ls Logo

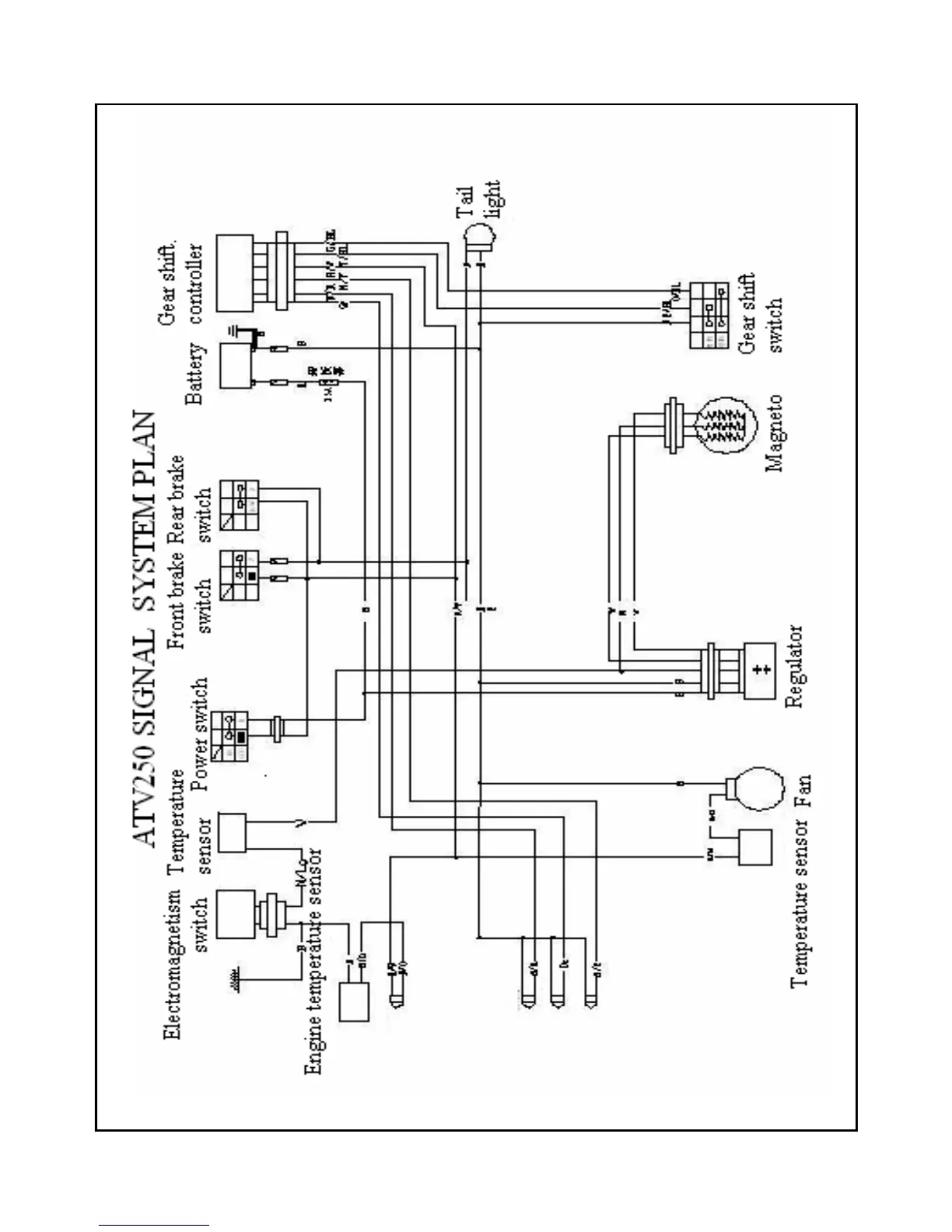
KEEWAY ATV250 - Signal System Circuit

KEEWAY ATV250
97 pages
Print Icon
To Next Page IconTo Next Page
To Next Page IconTo Next Page
To Previous Page IconTo Previous Page
To Previous Page IconTo Previous Page
Loading...
71
S i g n a l s y s t e m c i r c u i t

Table of Contents

Related product manuals