EasyManua.ls Logo

Keysight N8976B - Reference and Synthesizer Block Diagram

Keysight N8976B
524 pages
Print Icon
To Next Page IconTo Next Page
To Next Page IconTo Next Page
To Previous Page IconTo Previous Page
To Previous Page IconTo Previous Page
Loading...
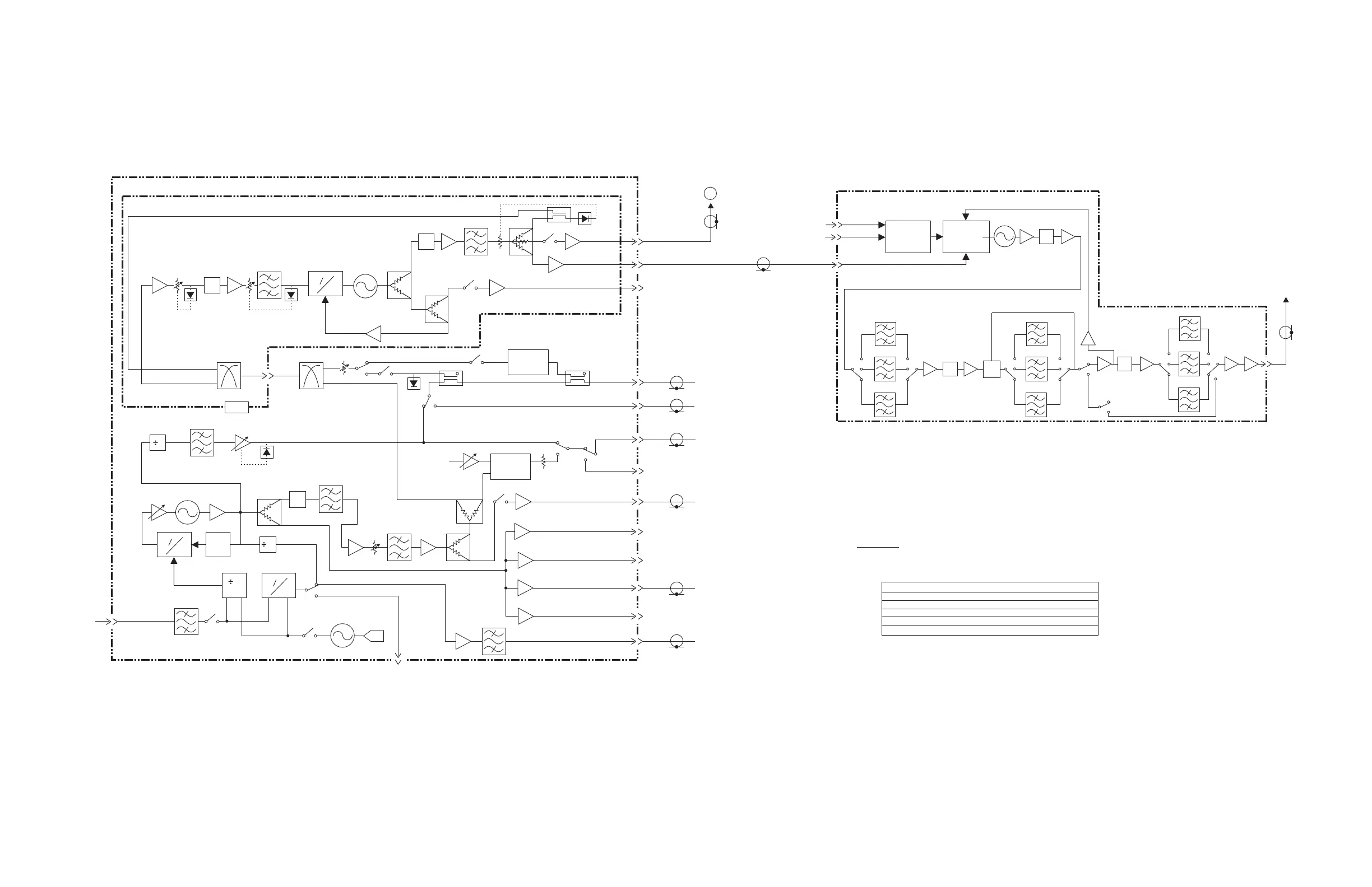
REFERENCE and SYNTHESIZER BLOCK DIAGRAM NFA
REFERENCE and SYNTHESIZER
BLOCK DIAGRAM
block_nfab_refsynth2
FOOTNOTES
N
A14 LO SYNTHESIZER
block_hibandpath2
3.8 - 8.7 GHz
1st LO Out
13 - 18 dBm
(1)
J1
J200
1.15 - 1.95 GHz
Serial Bus
Symv/Int_Swp
1142 MHz - 2308 MHz
571 MHz to
1154 MHz
2.30 - 2.90 GHz
4.6 - 5.8 GHz
1.45 - 1.82 GHz
2.90 - 3.65 GHz
5.8 - 7.3 GHz
1.82 - 2.30 GHz
3.65 - 4.60 GHz
7.3 - 9.2 GHz
X2
X2
X2
1st
ALC
FPGA
LO
CONTROLLER
FRAC-N
CONTROLLER
VCO
To A13J4
(from A8)
W5
W6
W19
W20
W14
W54
W12
W4
2nd LO
4800 MHz
To A9
To A13J6
To A13J1
(1) The Tuning Equations below show the relationship between
the A14 LO Synthesizer output and the Tuned Frequency in SA mode.
0 - 3.6 GHz LO Synth Output = Tuned Freq + 5.1225 GHz
LO Synth Output = Tuned Freq + 322.5 MHz
LO Synth Output = (Tuned Freq + 322.5 MHz)/2
LO Synth Output = (Tuned Freq + 322.5 MHz)/2
LO Synth Output = (Tuned Freq + 322.5 MHz)/4
3.6 - 8.4 GHz
8.4 - 13.6 GHz
13.6 - 17.1 GHz
17.1 - 26.5 GHz
Band Tuning Equation
J740
A16 REFERENCE
A16A1 REFERENCE DAUGHTER
to A2J300
EXT ECAL IN
to A3J14
to A3J14
2nd LO
CAL OUT
ECAL OUT
300 MHz LO_AIF
100 MHz LO_SYNTH
+10 dBm
+10 dBm
+13 dBm
+13 dBm
100 MHz REF_A
100 MHz REF_C
2nd LO
unused
unused
2.4 GHz Ref
J702
J725
J724
J701
J705
J714
J711
J706
J707
J716
J717
J703
J726
J718
X8
X2
10 MHz
10 MHz
1 - 50 MHz
10 MHz
300 MHz
SAW
300 MHz
J704
W23
EXT REF INPUT
(rear panel)
100 MHz
2400 MHz
SAW VCO
4.8 GHz
2400 MHz
ALC
ALC
ALC
50 MHz
4.8 GHz
300 MHz
HP
HP
LP
LP
f
f
O
f
O
O
DAC
HARMONIC
GEN
COMB
GEN
MOD
COMB
SER
LVDS
10 dB
J723
2
10
R
NF
1 to 16
Card Cage
Connector
10 MHz OUT_DIF
J710
X3
7-19-2017

Table of Contents

Other manuals for Keysight N8976B

Related product manuals