EasyManua.ls Logo

Keysight N8976B - NFA Computer Block Diagram

Keysight N8976B
524 pages
Print Icon
To Next Page IconTo Next Page
To Next Page IconTo Next Page
To Previous Page IconTo Previous Page
To Previous Page IconTo Previous Page
Loading...
332 Keysight NFA Series Noise Figure Analyzers Service Guide
Block Diagrams
Block Diagrams
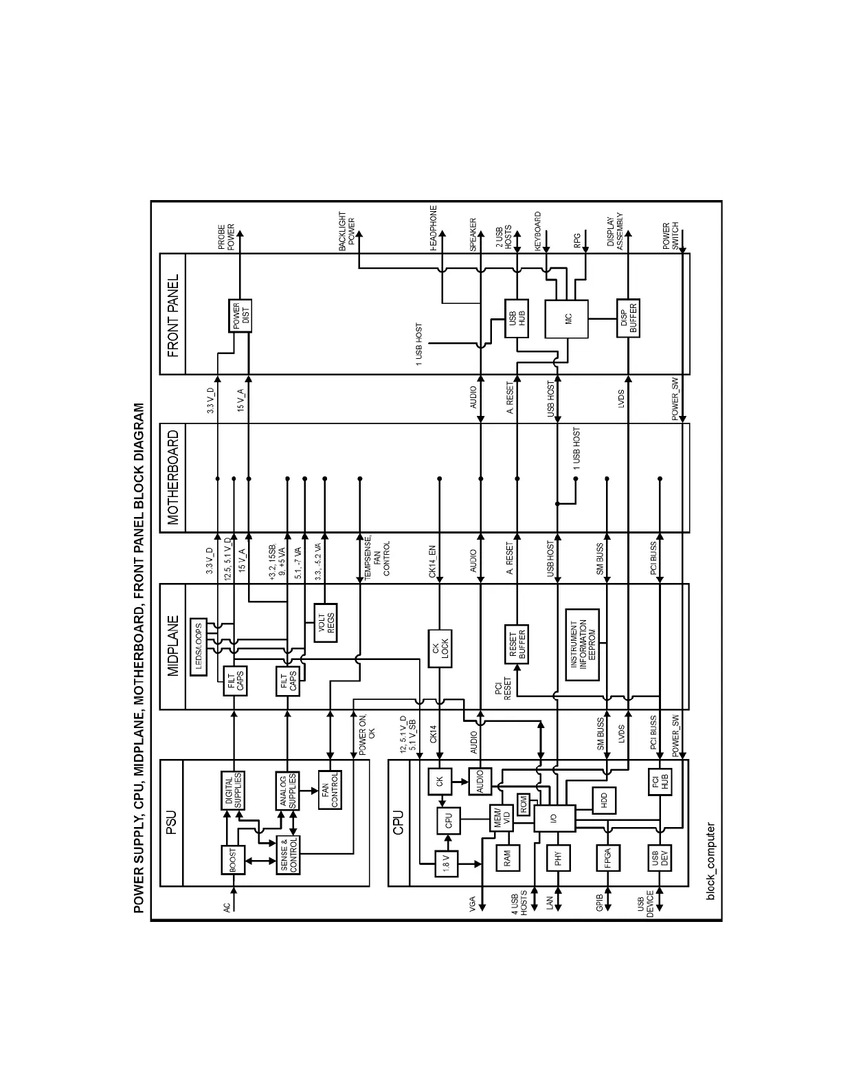
NFA Computer Block Diagram

Table of Contents

Other manuals for Keysight N8976B

Related product manuals