EasyManua.ls Logo

KMB NOVAR-1007 - 7. WIRING EXAMPLES; Wiring Diagrams for Novar Controllers

Default Icon
77 pages
Print Icon
To Next Page IconTo Next Page
To Next Page IconTo Next Page
To Previous Page IconTo Previous Page
To Previous Page IconTo Previous Page
Loading...
Novar 1xxx KMB systems
64
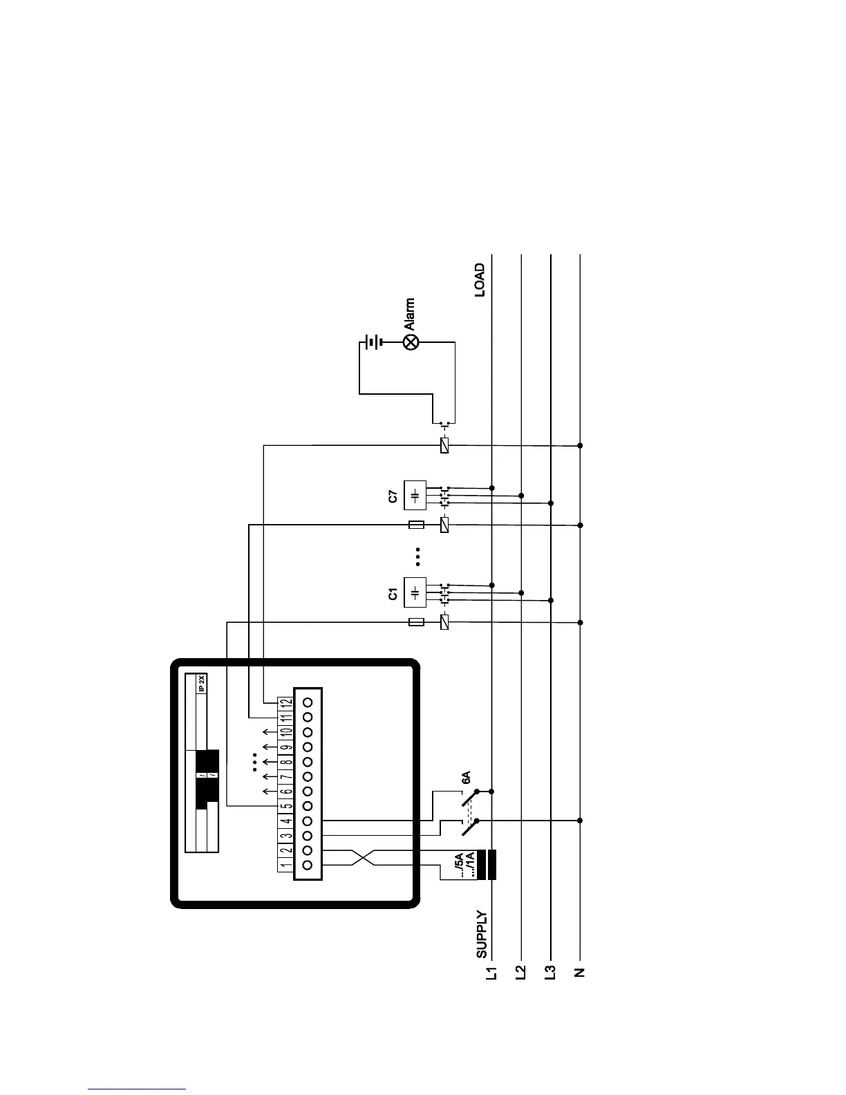
7. Wiring Examples
Novar1007 – installation
NOVAR 1007
U~ 80÷275VAC,43÷67Hz
Power : 5 VASerial / Vers.
Product. Date :

Table of Contents

Related product manuals