EasyManua.ls Logo

KMB NOVAR-1007 - Page 68

Default Icon
77 pages
Print Icon
To Next Page IconTo Next Page
To Next Page IconTo Next Page
To Previous Page IconTo Previous Page
To Previous Page IconTo Previous Page
Loading...
Novar 1xxx KMB systems
68
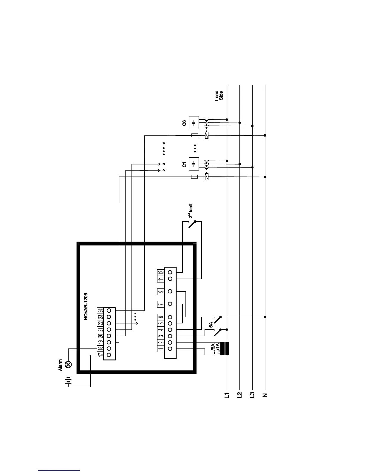
Novar1206 – installation, low voltage measurement

Table of Contents

Related product manuals