EasyManua.ls Logo

Kohler 20RESA - Page 179

Kohler 20RESA
440 pages
To Next Page IconTo Next Page
To Next Page IconTo Next Page
To Previous Page IconTo Previous Page
To Previous Page IconTo Previous Page
Loading...
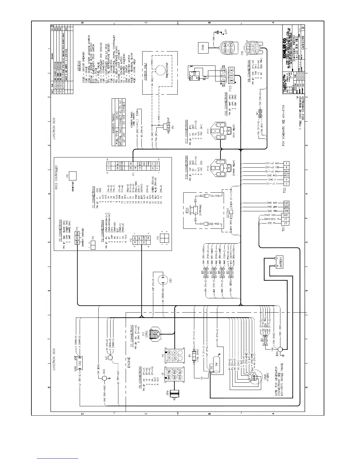
TP-6803--ES 1/15 55Sección 2 Diagramas y planos
-
Figura 2-11 Diagrama de cableado punto a punto, GM93298, hoja 2 de 3

Table of Contents

Other manuals for Kohler 20RESA

Related product manuals