EasyManua.ls Logo

Kohler 20RESA - Page 303

Kohler 20RESA
440 pages
To Next Page IconTo Next Page
To Next Page IconTo Next Page
To Previous Page IconTo Previous Page
To Previous Page IconTo Previous Page
Loading...
TP-6803--NL 1/15 51Sectie 2 Tekeningen en schema’s
-
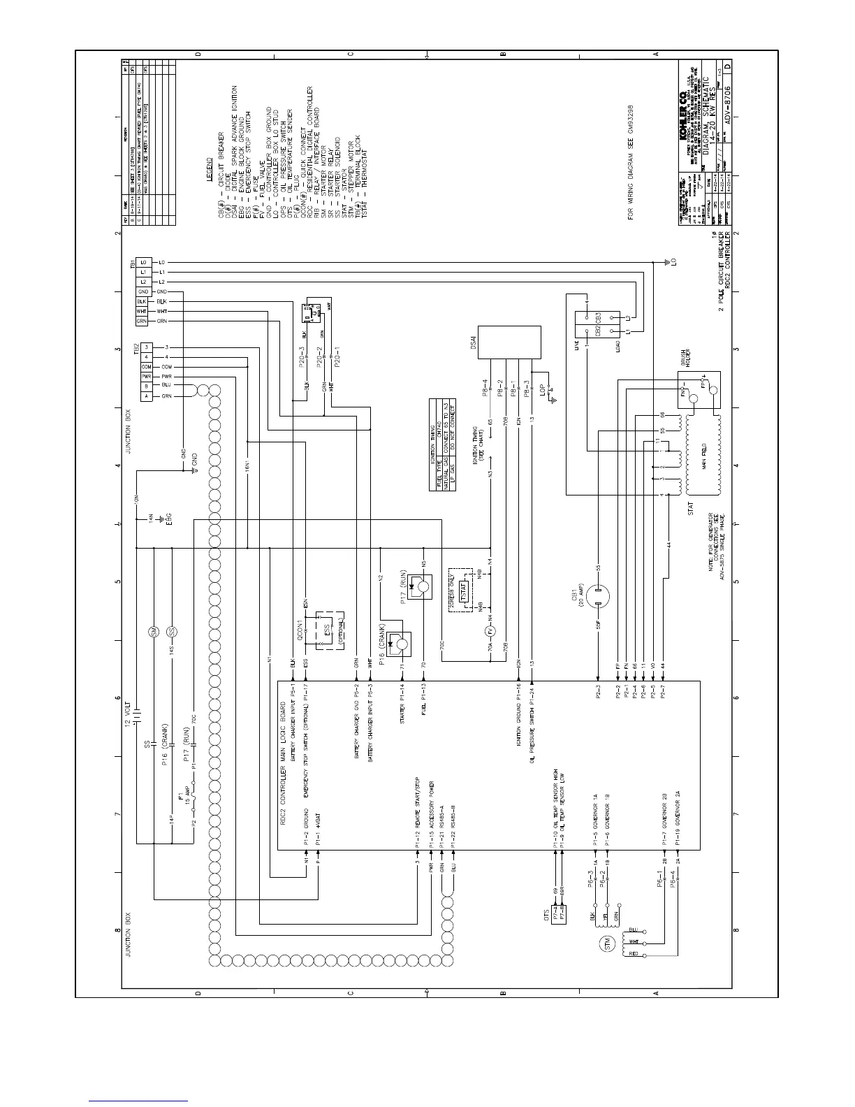
Afbeelding 2-7 Schematische weergave, ADV-8706, blad 1 van 3

Table of Contents

Other manuals for Kohler 20RESA

Related product manuals