EasyManua.ls Logo

Kohler 6VSG - Page 96

Kohler 6VSG
108 pages
Print Icon
To Next Page IconTo Next Page
To Next Page IconTo Next Page
To Previous Page IconTo Previous Page
To Previous Page IconTo Previous Page
Loading...
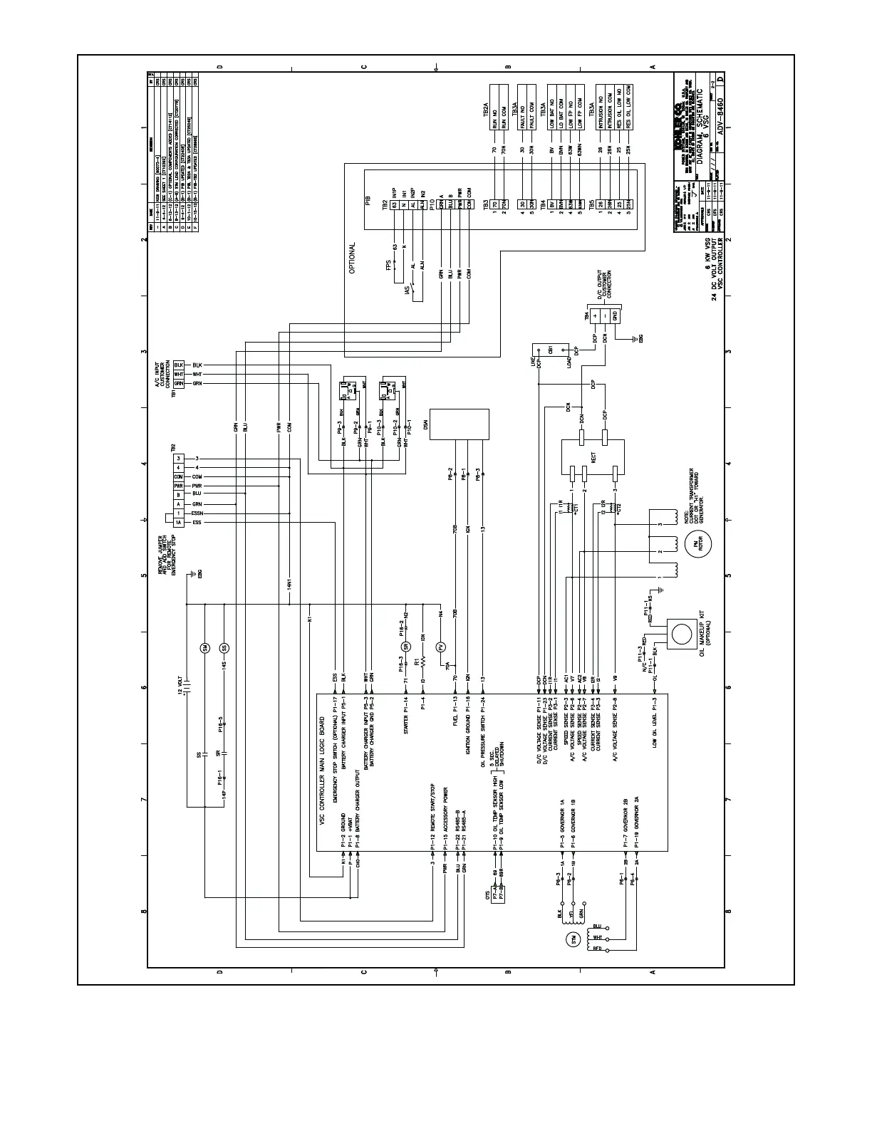
96 Section 7 Drawings and Diagrams TP-6844 1/13
Figure 7-6
Figure 7-6 Schematic Diagram, 24V, ADV-8460, Sheet 2

Table of Contents

Other manuals for Kohler 6VSG

Related product manuals