EasyManua.ls Logo

KYMCO MXU 300 - WIRING DIAGRAM (MXU 250 OFF ROAD)

KYMCO MXU 300
352 pages
Print Icon
To Next Page IconTo Next Page
To Next Page IconTo Next Page
To Previous Page IconTo Previous Page
To Previous Page IconTo Previous Page
Loading...
1. GENERAL INFORMATION
1-22
MXU 300/250
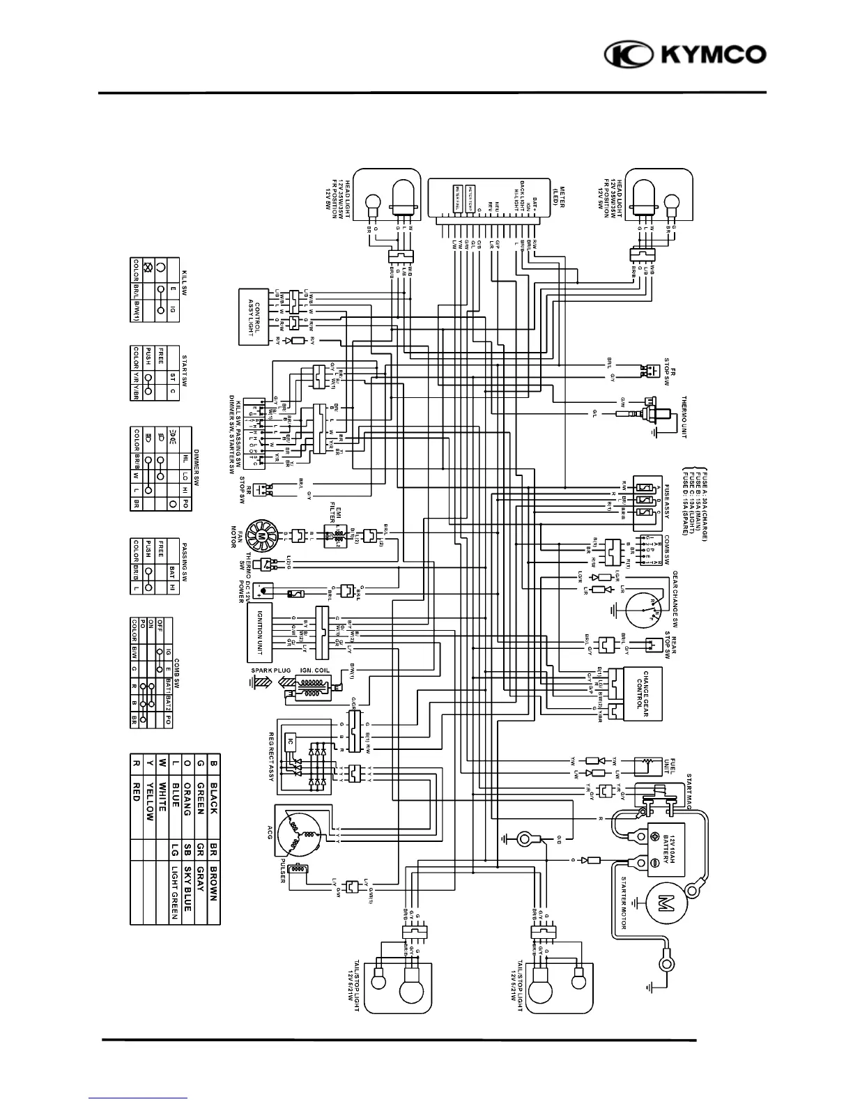
WIRING DIAGRAM ( MXU 250 OFF ROAD)

Table of Contents

Other manuals for KYMCO MXU 300

Related product manuals